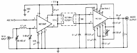
Este circuito utiliza componentes poco comunes actualmente, incluyendo el filtro de 10,7 MHz (FI). Este circuito fue encontrado en el Linear Databook de Motorola de 1990.

Este circuito utiliza componentes poco comunes actualmente, incluyendo el filtro de 10,7 MHz (FI). Este circuito fue encontrado en el Linear Databook de Motorola de 1990.
