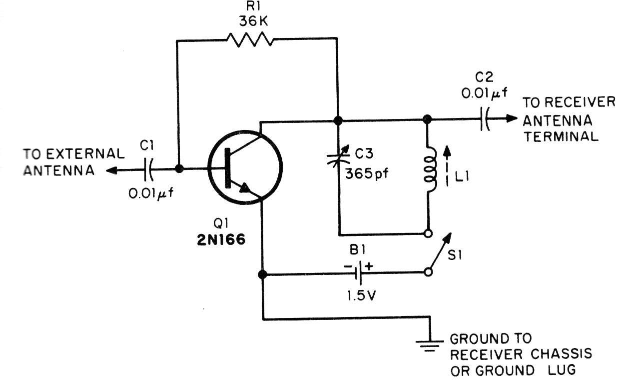
Este circuito sirve para reforzar las señales de la banda de AM para receptores que usan una antena externa. El transistor puede ser un BF494 y el circuito también opera en la banda de ondas cortas con el cambio de la bobina. Esta bobina consta de 80 espiras de hilo 28 en un bastón de ferrita. La alimentación se puede realizar con tensiones de 1,5 V a 6 V.




