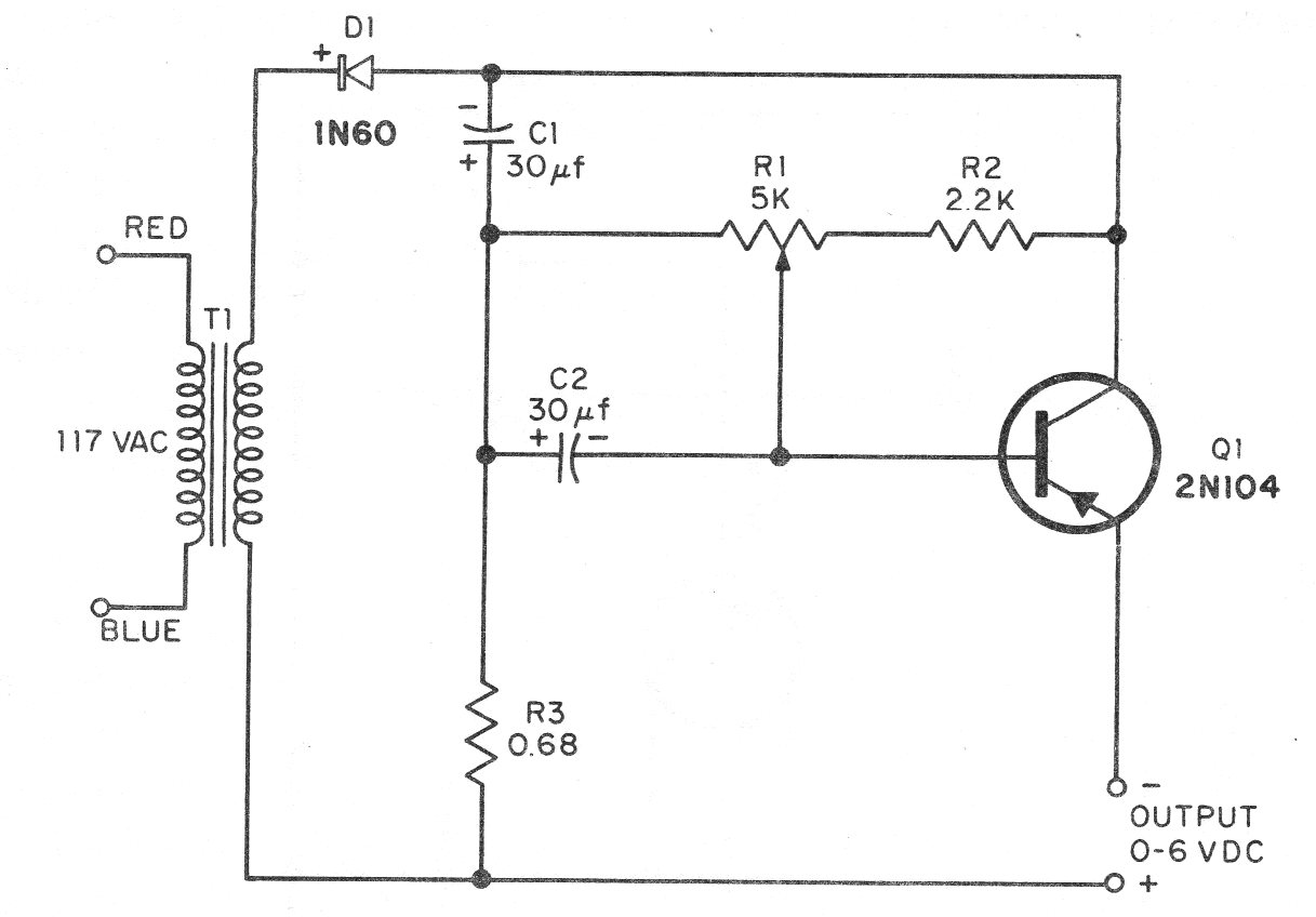
La fuente ajustable mostrada en la figura fue encontrada en una publicación americana de 1964. El transistor puede ser el BD136 para corrientes hasta 500 mA. El diodo D1 es preferentemente el 1N4002 y el transformador tiene secundario de 6 V con corriente entre 50 y 500 mA.




