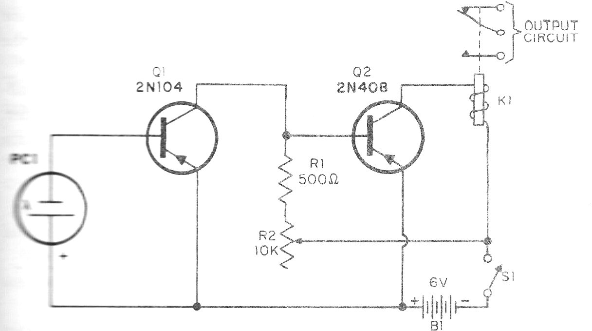
Encontramos este circuito en una publicación de 1964, pero puede montarse actualmente con transistores BC558. El sensor puede ser una foto-célula del tipo que se encuentra en las calculadoras y los juguetes. El relé es del tipo sensible para 6 V. El circuito también funciona con 12 V utilizando un relé para esta tensión.




