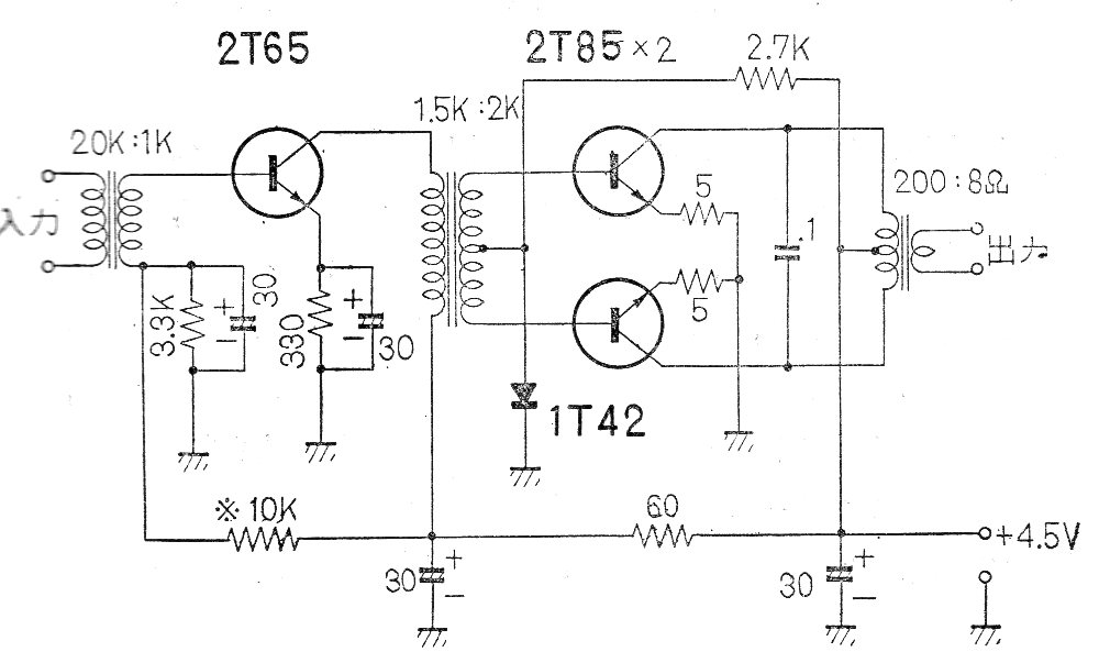
Esta etapa de 3 transistores es típica de radios y amplificadores de los años 60. Los transistores son de germanio y el circuito fue encontrado en una documentación japonesa de 1967. Los transformadores son los elementos críticos del circuito. La potencia es de 300 mW.




