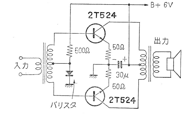
Este simple circuito de salida de audio para pequeñas radios u otras aplicaciones fue encontrado en una publicación japonesa de 1967. Los transformadores driver y salida son del tipo encontrado en pequeñas radios y los transistores son de germanio.
Este probador de continuidad artesanal tiene una finalidad didáctica, pudiendo ser utilizado como tema...
Este tipo de oscilador utiliza una configuración fuera de lo común y puede ser utilizado como base...
Este circuito produce el ruido del goteo de un grifo o una gotera cuando la luz deja de incidir en el...