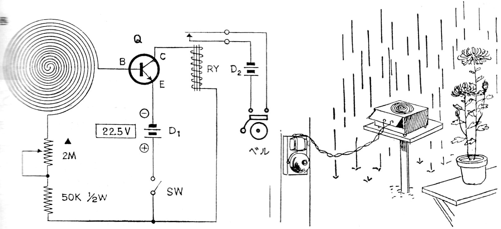
Este interesante circuito fue encontrado en una revista japonesa de 1968. Puede ser implementado con transistores actuales de mayor ganancia o Darlingtons y un relé de 6 o 12 V, disminuyendo así la tensión de alimentación. Observe el sensor utilizado.




