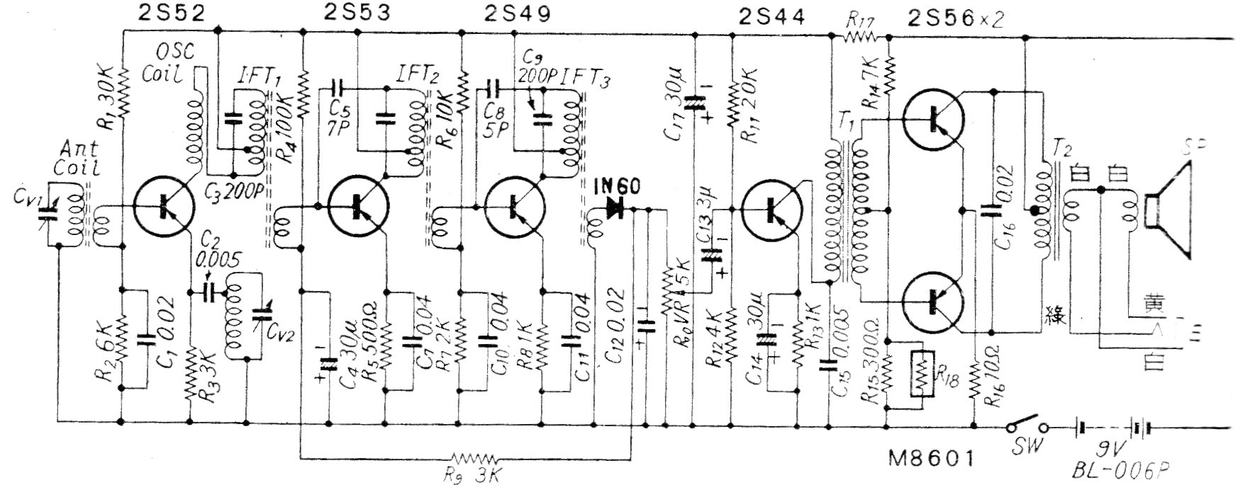
Este es un radio super-heterodino comercial de los años 60, encontrado en una documentación japonesa de la época. El circuito utiliza transistores de germanio y sirve como referencia para los lectores que están recuperando circuitos de la época.
Este probador de continuidad artesanal tiene una finalidad didáctica, pudiendo ser utilizado como tema...
Este tipo de oscilador utiliza una configuración fuera de lo común y puede ser utilizado como base...
Este circuito produce el ruido del goteo de un grifo o una gotera cuando la luz deja de incidir en el...