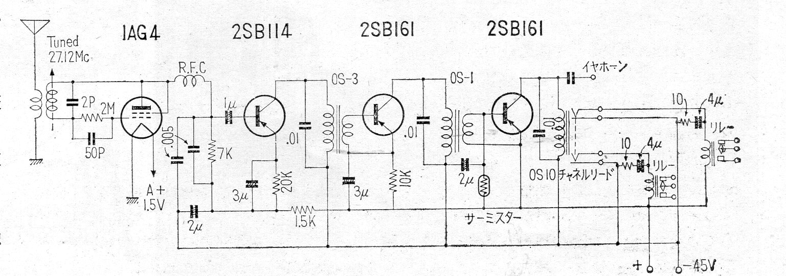
Este circuito para señales moduladas en tono fue encontrado en una documentación de 1962, siendo del tipo híbrido, pues también emplea una válvula común en la época. El circuito hace uso de baterías, siendo una de alta tensión debido a la presencia de la válvula. No se proporciona información sobre las bobinas.




