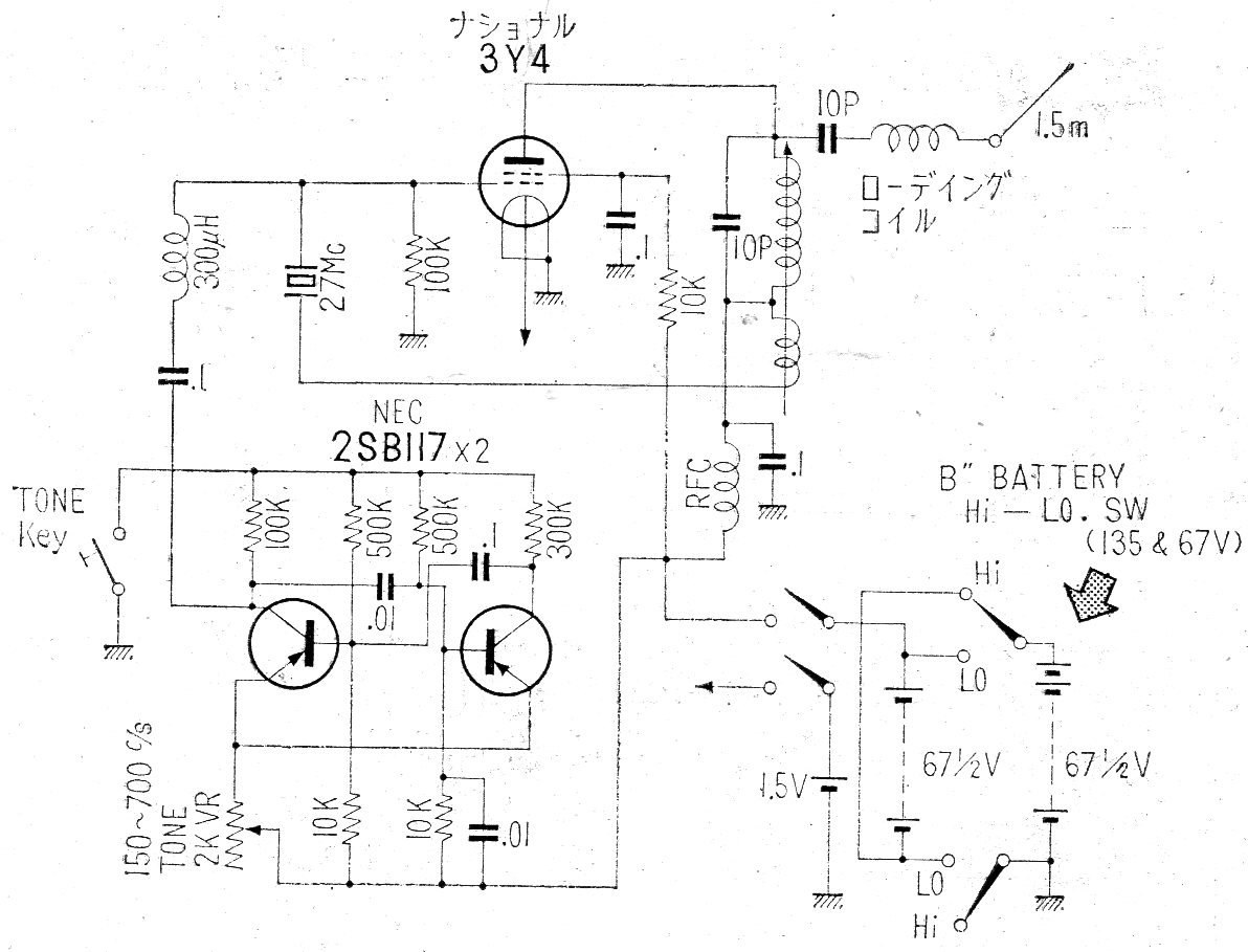
Este circuito es de una publicación japonesa de 1962. Los transistores usados en la época ya no son comunes y tenemos una válvula miniatura bastante rara actualmente. El circuito opera en el rango de 27 MHz y utiliza tres baterías (pilas y batería de alta tensión).




