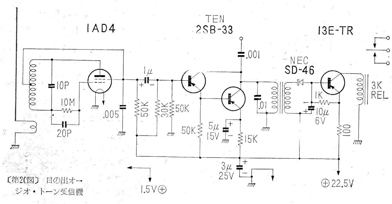
Este circuito de receptor para el rango de los 27 MHz fue encontrado en una publicación japonesa de 1962. El circuito utiliza una válvula con filamento de 1,5 V y tres transistores que hoy son poco comunes. El circuito es monocanal, accionando un relé. Observe el alto voltaje de la batería principal.




