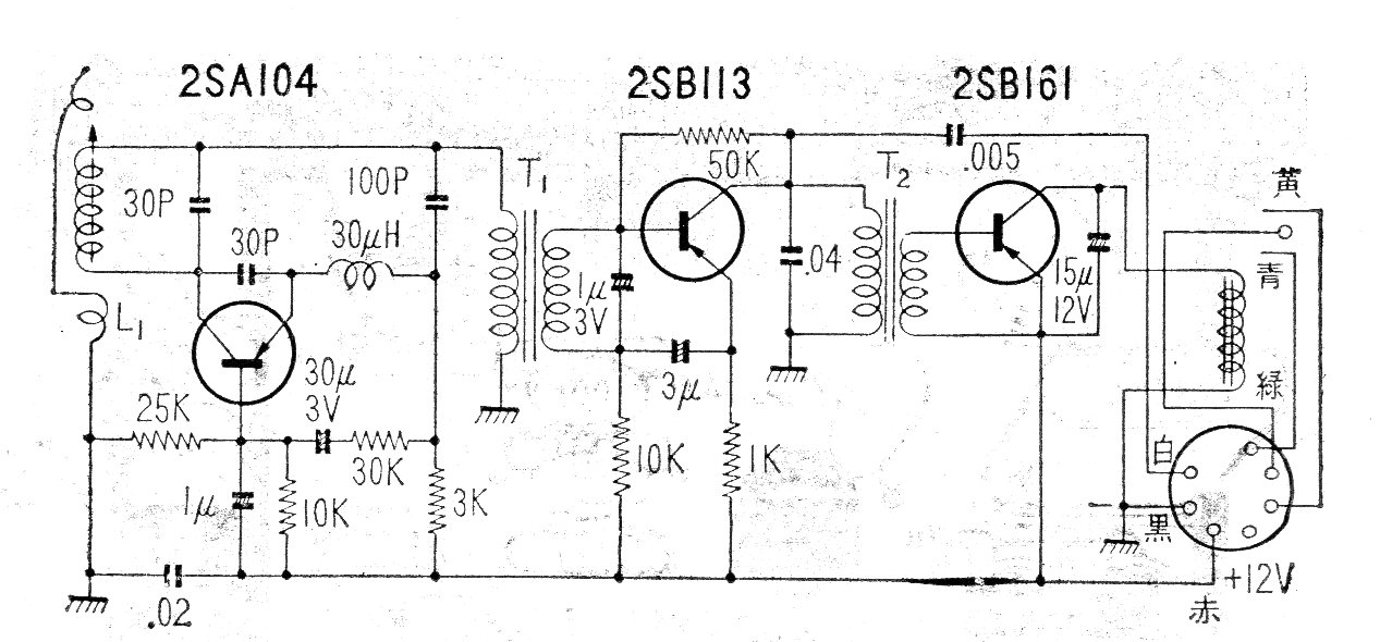
Este es el receptor para el transmisor CIR6221S que opera en el rango de 27 MHz. El circuito utiliza un servo de escape, es decir, a cada pulso del transmisor, el servo avanza una posición. El sistema es primitivo, pues la publicación es de 1964.
Este probador de continuidad artesanal tiene una finalidad didáctica, pudiendo ser utilizado como tema...
Este tipo de oscilador utiliza una configuración fuera de lo común y puede ser utilizado como base...
Este circuito produce el ruido del goteo de un grifo o una gotera cuando la luz deja de incidir en el...