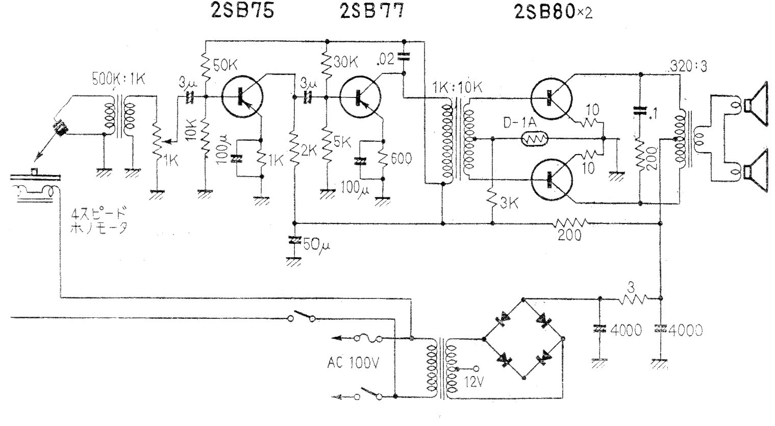
Este circuito es de una publicación antigua de Japón usando transistores de germanio de la época (años 60). El circuito proporciona algunos cientos de miliwatts a dos altavoces y los transistores de salida deben estar dotados de pequeños disipadores de calor.




