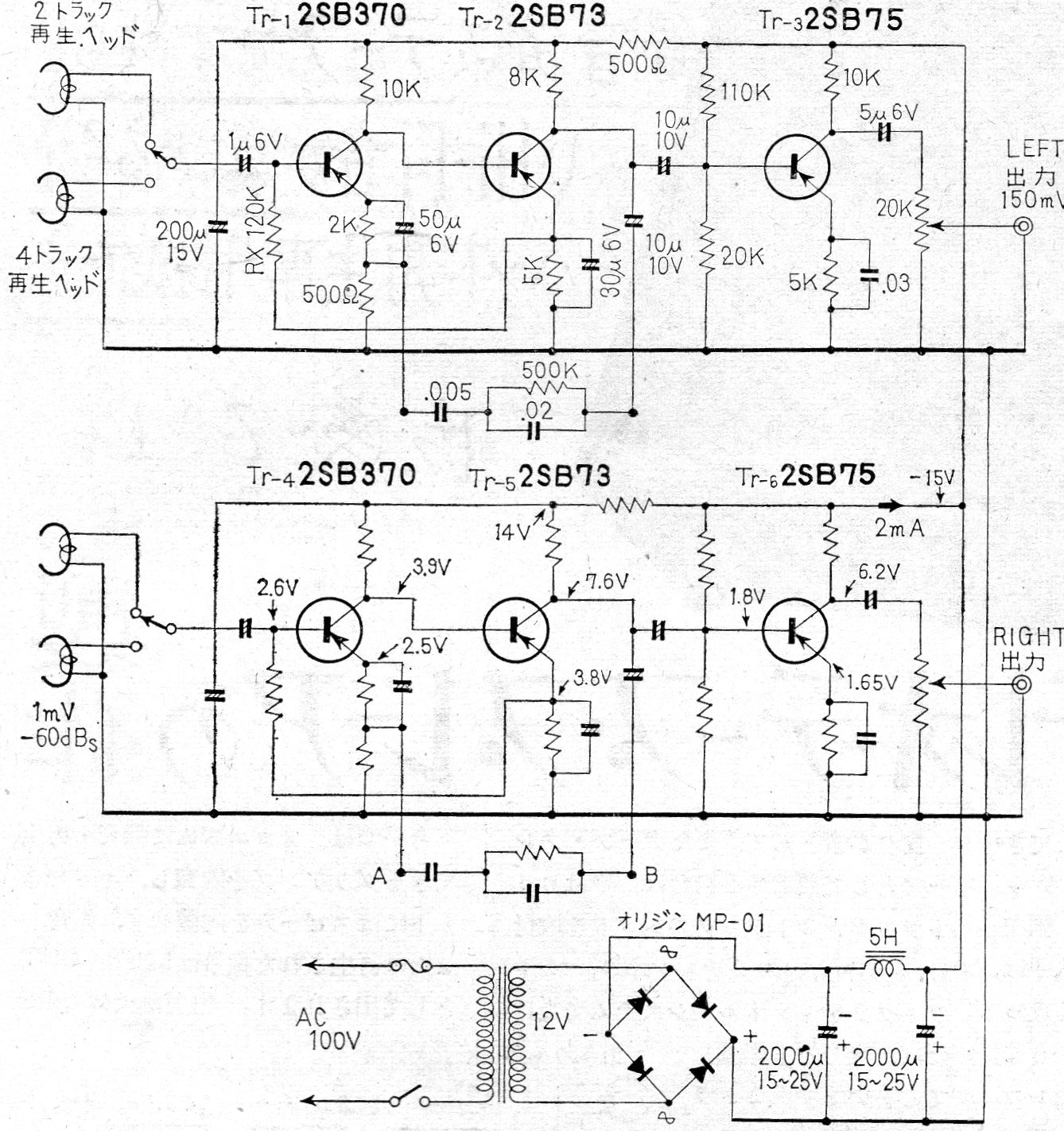
Este circuito es de una antigua documentación japonesa. Tiene una ecualización NAB para cabezas magnéticas y emplea transistores de la época. El circuito incluye la fuente de alimentación. Se puede intentar implementar la configuración con transistores más modernos, recordando apenas que los tipos originales son de germanio.




