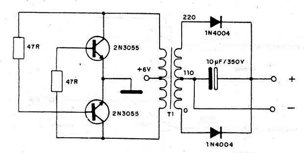
El transformador tiene secundario de 6 + 6V con corriente entre 2 y 5A. La salida será de 100 a 500 V con picos que dependen de la corriente exigida por la carga. Los transistores deben ser montados en buenos disipadores de calor. La potencia depende del ajuste de los resistores de 47 ohm, de las características de] transformador y está alrededor de 20 watt como máximo.




