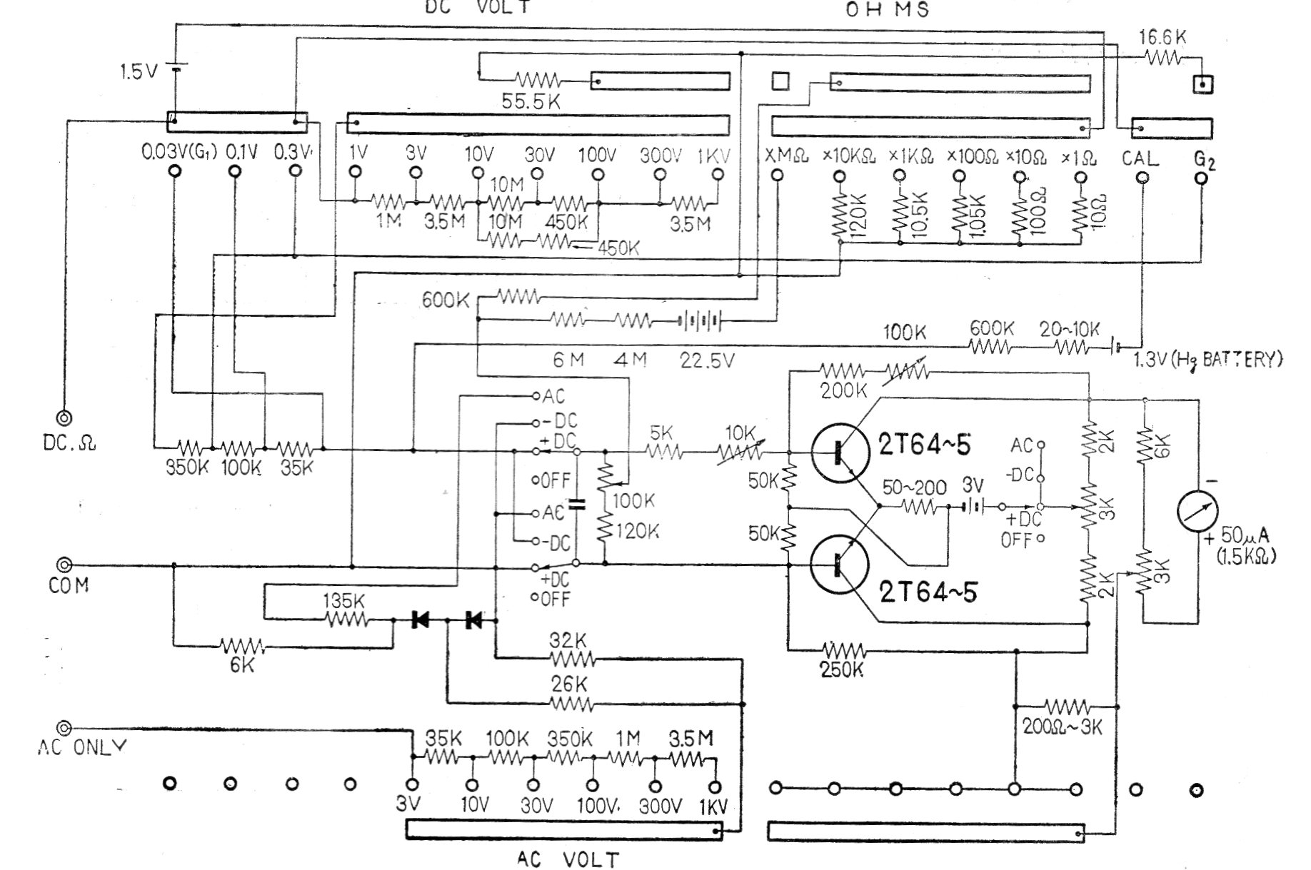
Este es el circuito de un multímetro - voltímetro analógico comercial, vendido en Japón en los años 60. El circuito cuenta con diversas escalas y transistores para obtener una entrada de impedancia elevada en el accionamiento del instrumento indicador.




