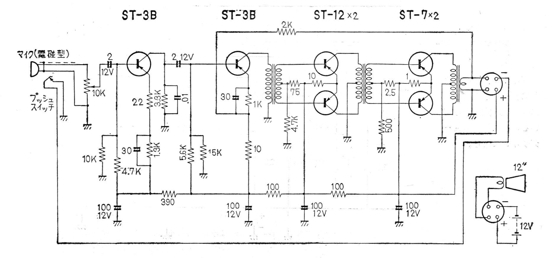
Este circuito es de un megáfono de la NEC fabricado en Japón en los años 60. El circuito tiene 4 W de potencia y utiliza un altavoz de compresión. El circuito tiene dos etapas en push-pull clase B y utiliza micrófono cerámico o de cristal de alta impedancia. La alimentación se realiza por batería de 12 V.




