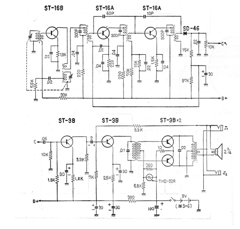
Esta radio de ondas medias de 7 transistores de germanio era fabricada en Japón en los años 60. Su salida es en clase B y el circuito es del tipo super-heterodino con FI de 455 kHz. El circuito es alimentado por una tensión de 9 V.

Esta radio de ondas medias de 7 transistores de germanio era fabricada en Japón en los años 60. Su salida es en clase B y el circuito es del tipo super-heterodino con FI de 455 kHz. El circuito es alimentado por una tensión de 9 V.
