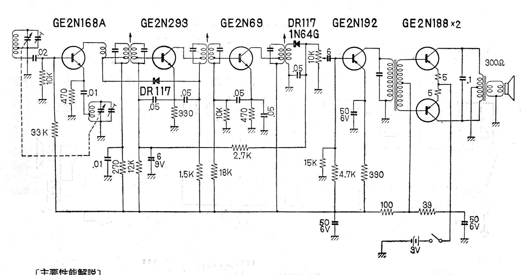
Esta radio transistorizada era fabricada en los años 60 y tiene 6 transistores de la época, El circuito era alimentado por dos pilas y tenía un consumo típico de 7 mA. El circuito es un super-heterodino para la banda de ondas medias.
En el circuito de la figura utilizamos dos de las puertas del 4093 como un biestable y las otras...
Este circuito simple se puede utilizar para reforzar la señal de fuentes que no son capaces de...
El circuito presentado fue encontrado en un Linear Applications Handbook de National Semiconductor de 1994....