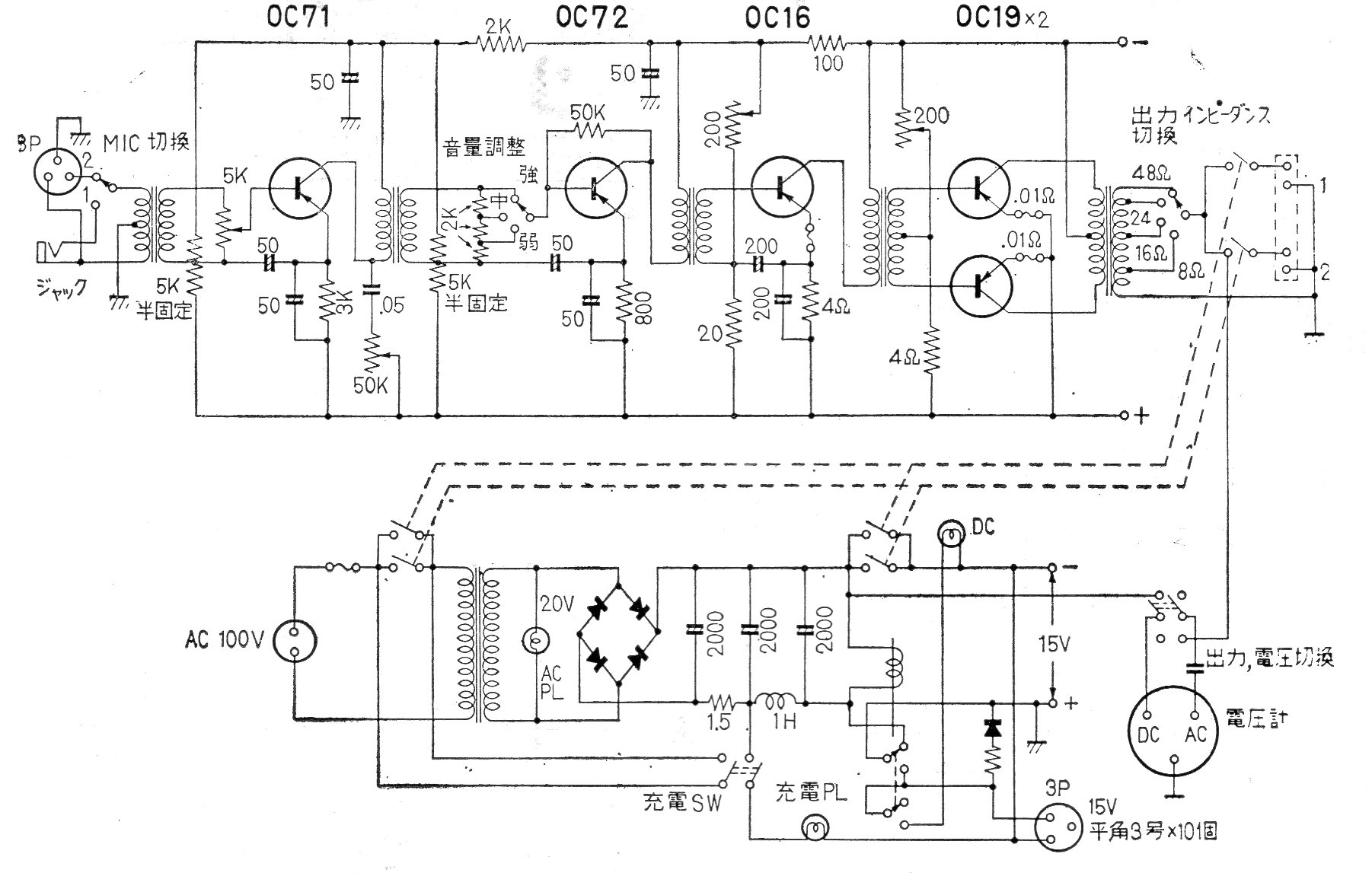
Encontramos este circuito en una publicación japonesa de 1967. El circuito consiste en un amplificador de audio de 15 W con transistores de germanio incluyendo una fuente de alimentación con indicador de tensión. Observe la red de energía de Japón de aquella época de 100 V.




