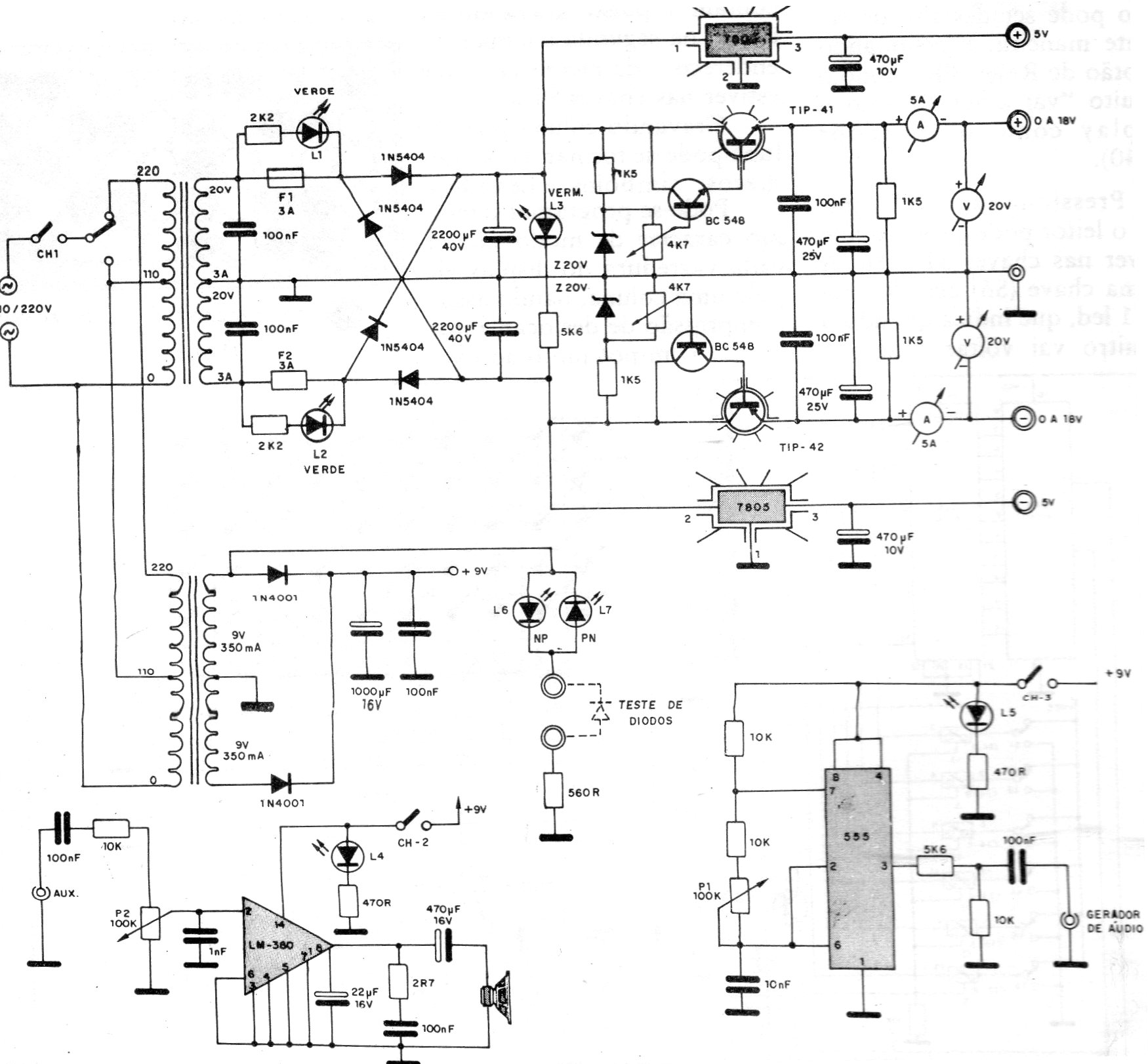
Encontramos este circuito en una documentación de 1986, sin embargo, por los componentes usados todavía se puede montar fácilmente. El circuito reúne en un solo aparato una fuente de alimentación con diversas tensiones, un probador de diodos, un amplificador de prueba y un generador de señales rectangulares con el 555. Los circuitos adicionales son alimentados por la propia fuente.




