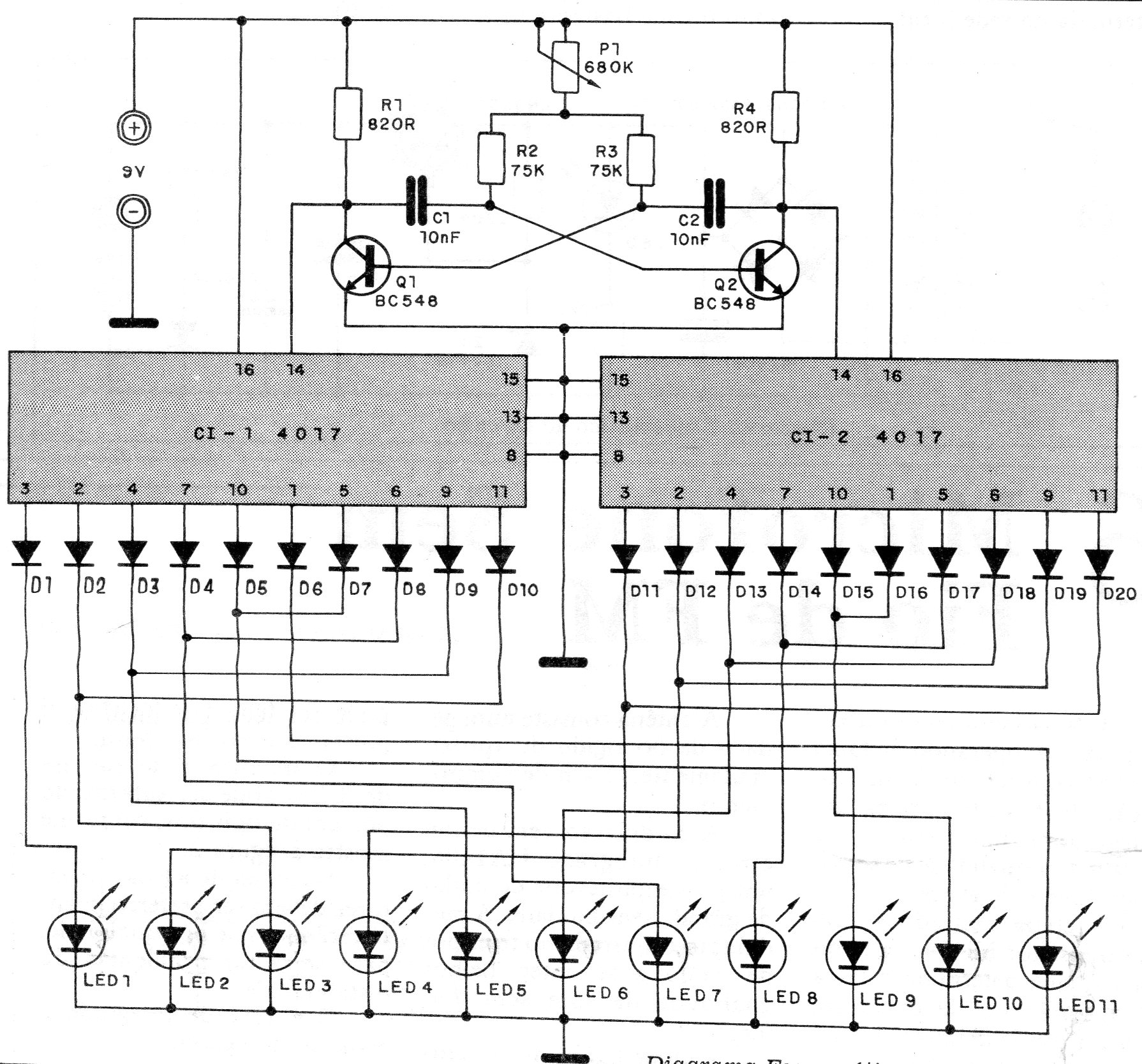
Este circuito fue obtenido en una publicación de 1986. Los componentes usados son todos comunes aún hoy, lo que facilita su montaje. El circuito produce un efecto de corriente en los LED de tipo va y viene. Para alimentar con 12 V es conveniente conectar un resistor de 470 ohmios en serie con la tierra de los LED.




