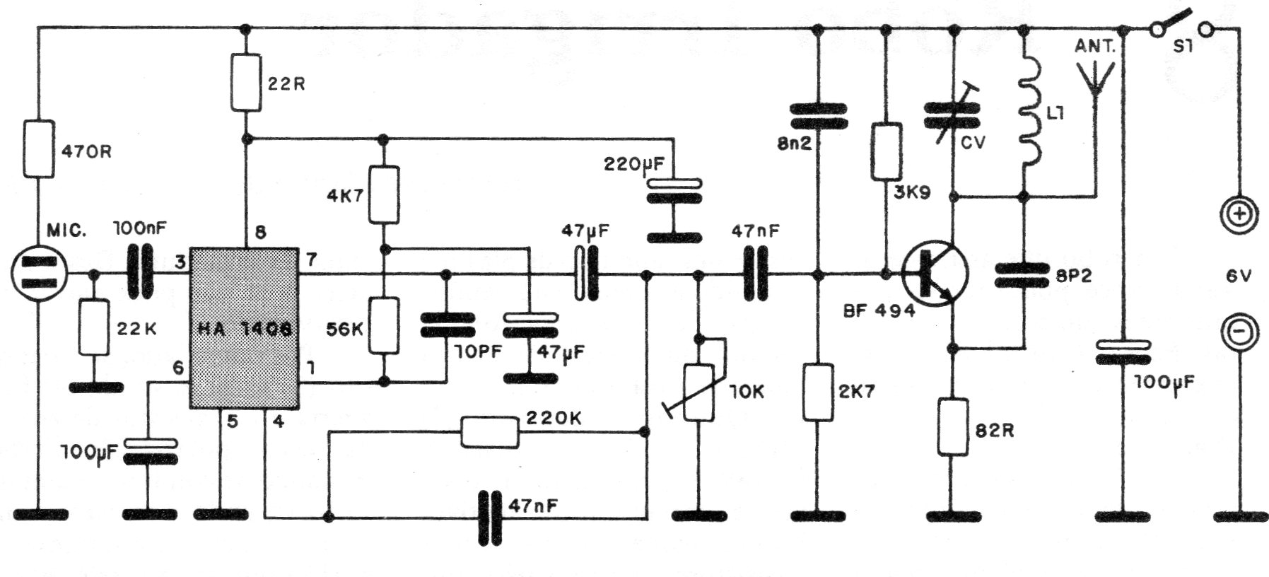
El circuito integrado utilizado en este micrófono inalámbrico de 1986 no es muy común actualmente. La bobina L1 consta de 4 4piras de hilo 26 o 28 en forma de 1 cm de diámetro sin núcleo. En el original se utilizó el micrófono de electreto de tres terminales, pero se pueden hacer adaptaciones para usar micrófono de dos terminales.




