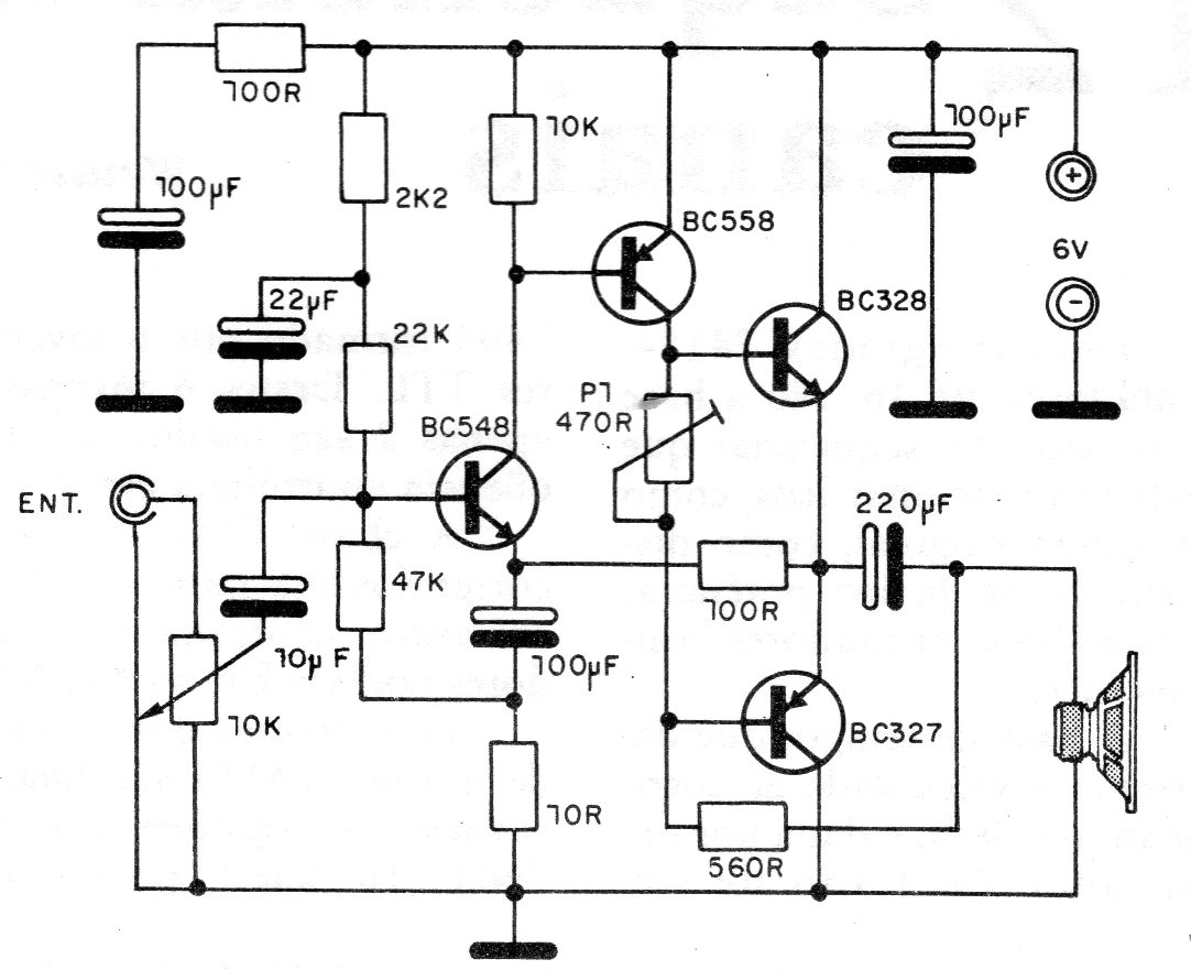
Este amplificador utiliza transistores comunes y proporciona una potencia de 2 vatios en un altavoz de 4 a 8 ohms. El circuito es alimentado por 6 V, pudiendo la fuente ser formada por pilas medias o grandes. El trimpot P1 debe ajustarse a una corriente de reposo del orden de 40 mA.




