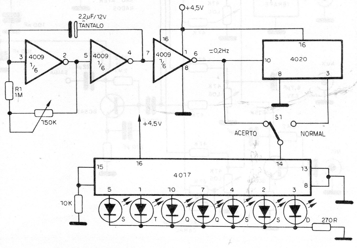
Encontramos este circuito CMOS en una documentación de 1989. La precisión dependerá del ajuste que se realiza en el trimpot. Este ajuste se realiza ajustando el trimpot para que los LED cambien una vez cada 5 segundos aproximadamente. El circuito es alimentado por 3 o 4 pilas pequeñas o fuente de 5 o 6 V.




