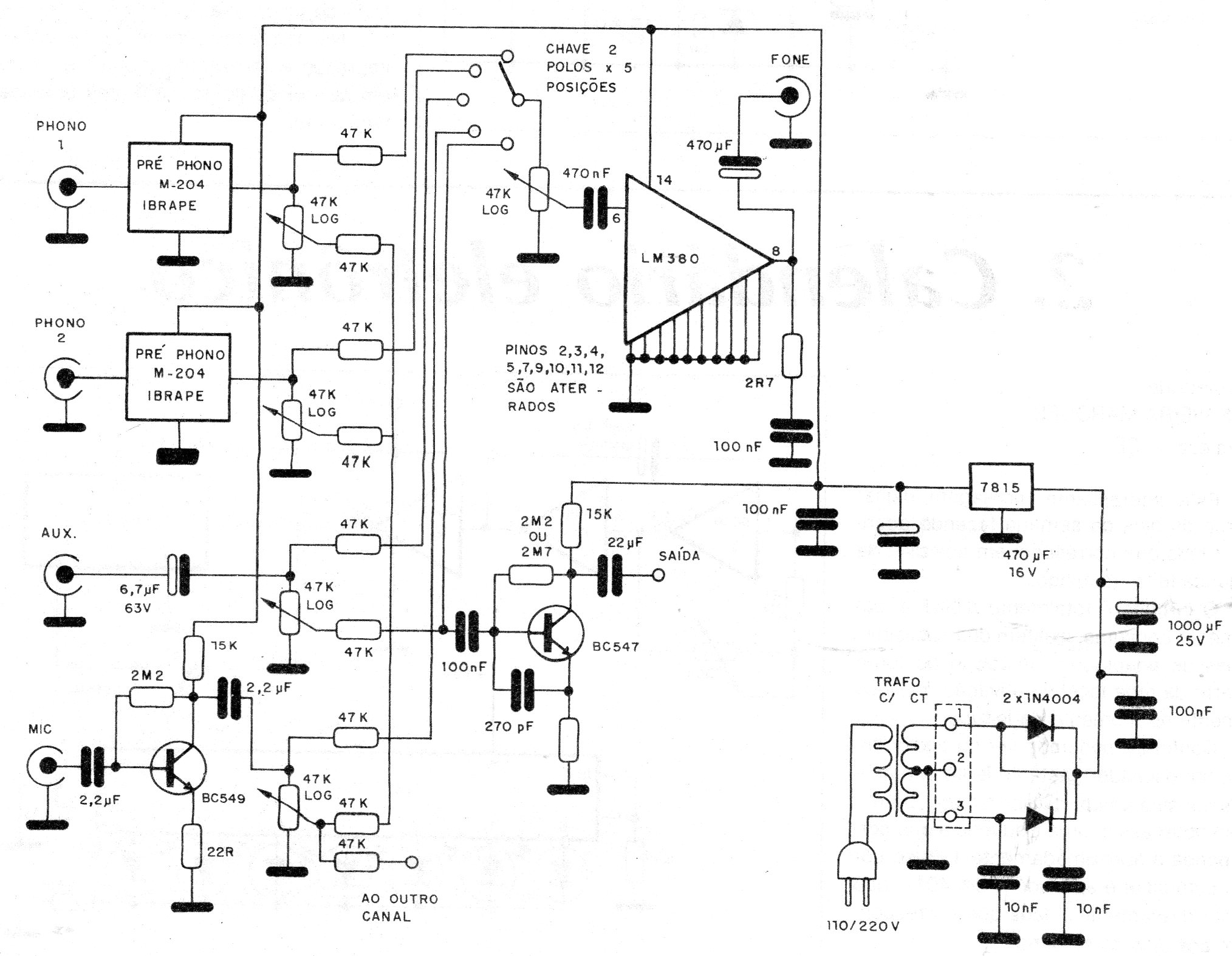
Este mezclador o mezclador de 4 canales fue encontrado en una documentación de 1986. Utiliza dos etapas Ibrape vendidas en un kit en la época y cuyo esquema se puede encontrar en el artículo de este sitio. Estos pasos eran ecualizadores y preamplificadores de excelente calidad. El amplificador de audio utilizado como monitor no es muy común actualmente, pudiéndose utilizar un equivalente más moderno como el LM386 o TODA7052.




