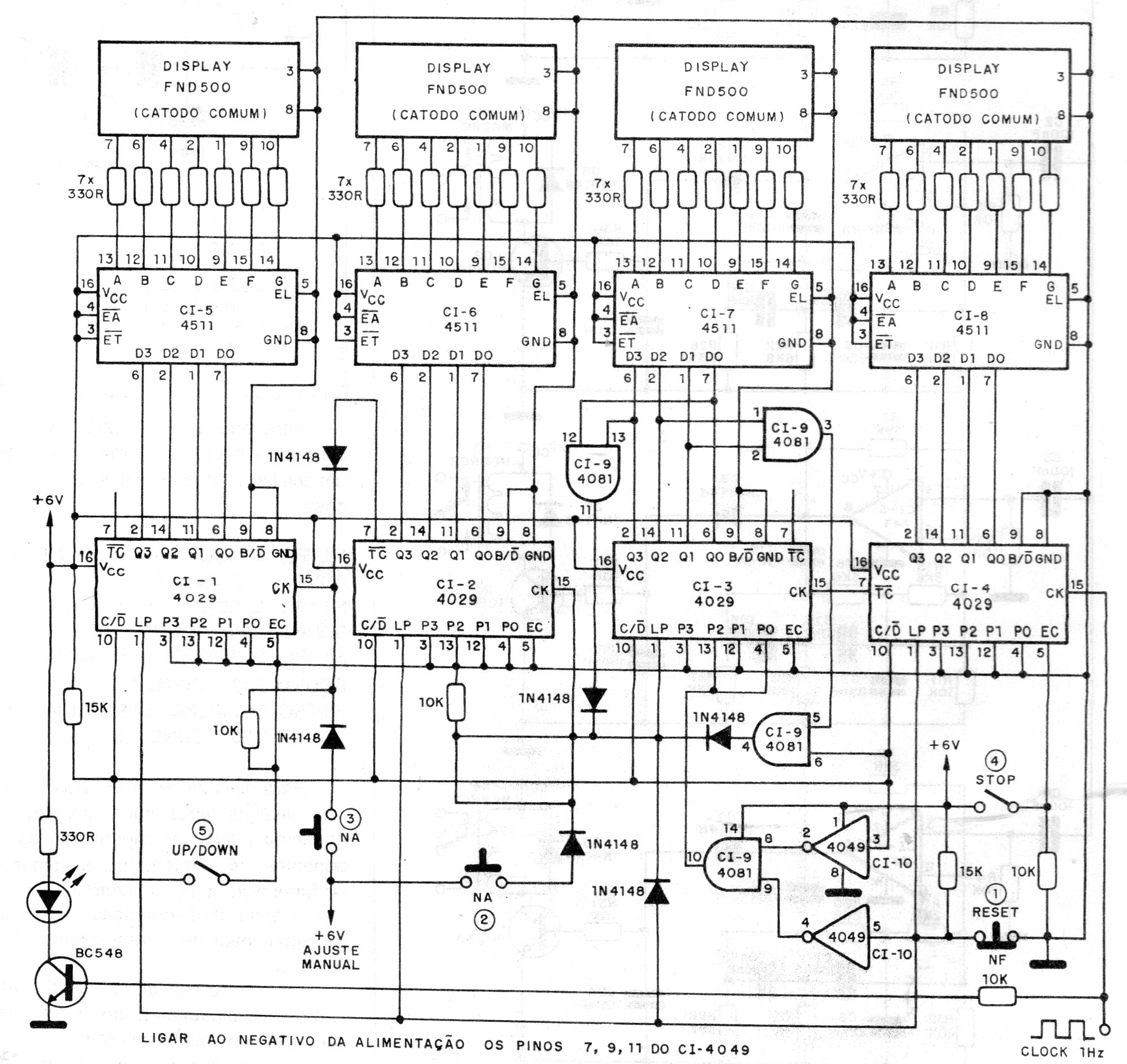
Este tiempo de minutos y horas fue encontrado en una documentación de 1989. Necesita un reloj de 1 Hz que se puede obtener fácilmente en este sitio, ya sea con control por cristal o desde la red de energía. Los displays son de cátodo común y los circuitos integrados usados son CMOS comunes en el mercado.




