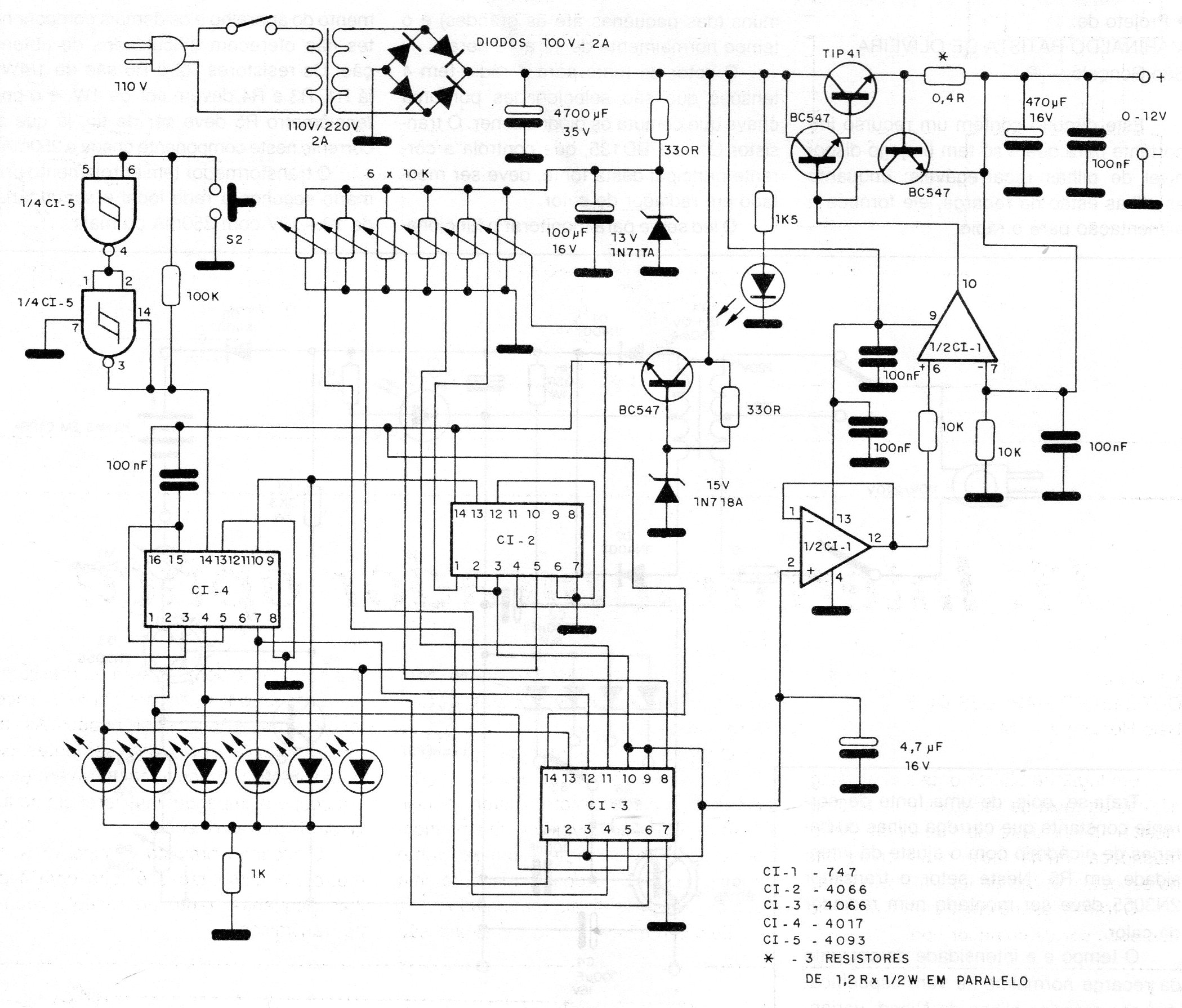
Esta fuente sofisticada tiene indicación digital y las tensiones de salida se ajustan en trimpots. Los transistores de potencia deben estar dotados de disipadores de calor. El circuito fue encontrado en una documentación de 1989, pero utiliza componentes que todavía son comunes en nuestro mercado.




