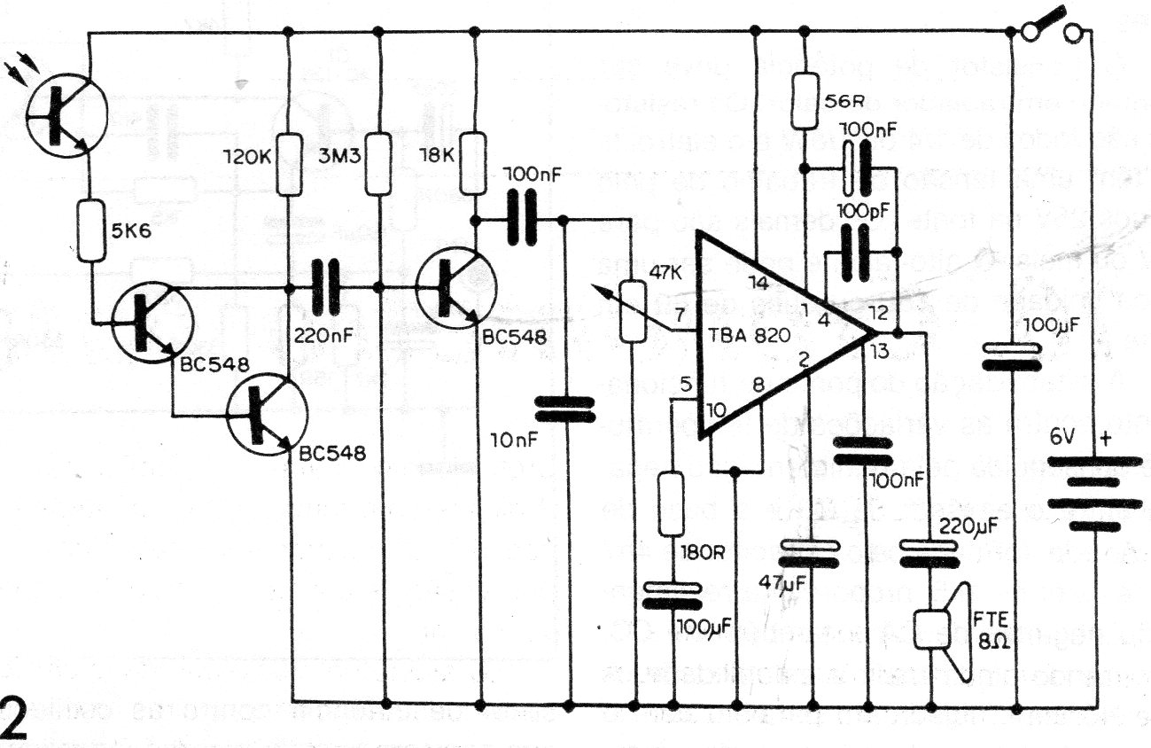
Este circuito puede recibir las señales del CIR10466 u otro como éste, de los muchos descritos en este sitio. El circuito utiliza un amplificador poco común actualmente, pero puede ser modificado para operar con uno más moderno como el TDA7052. El circuito es alimentado por 4 pilas, y cualquier fototransistor sirve. Más sensibilidad se puede obtener colocando el LED en un tubo con lente.




