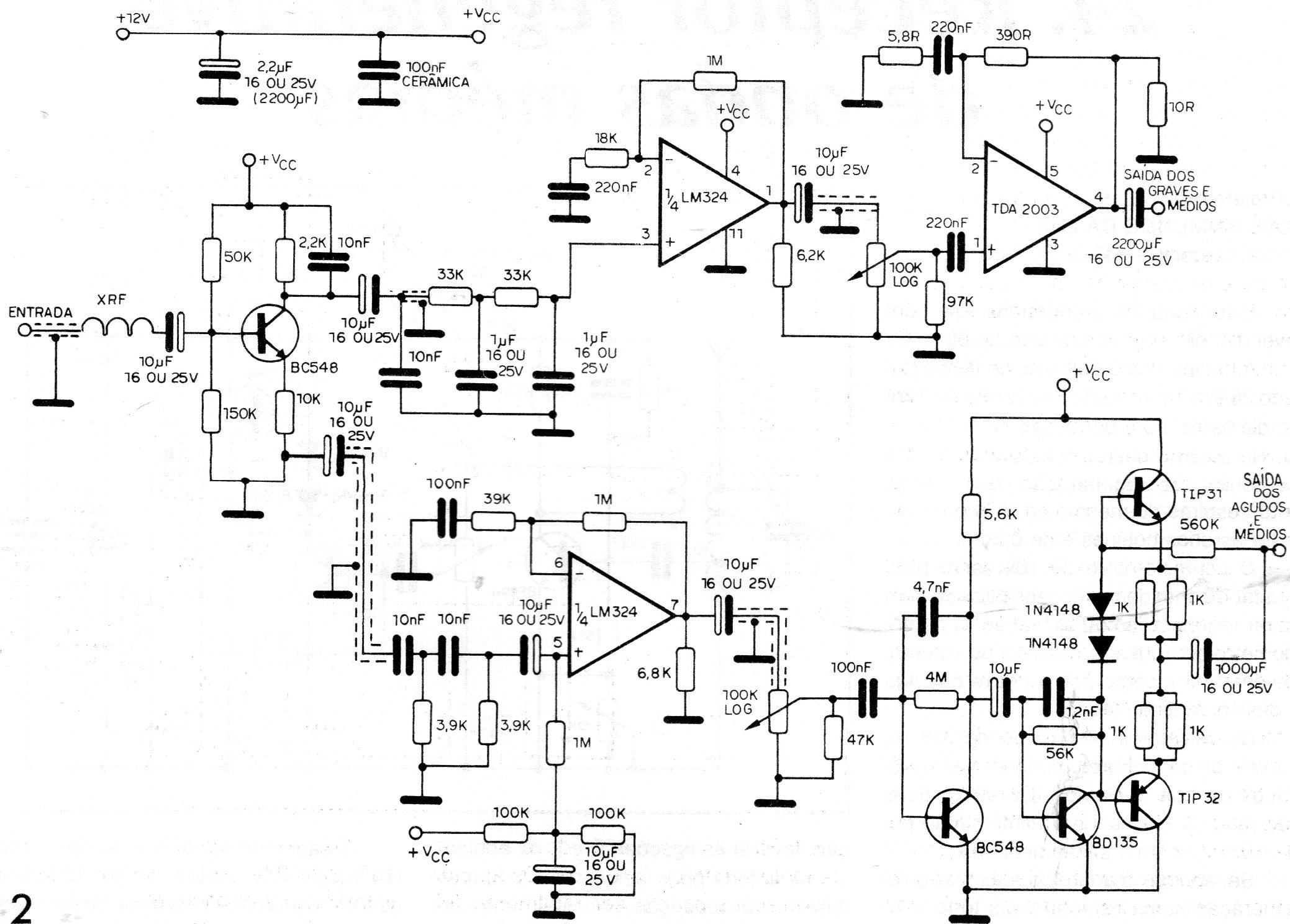
Este circuito fue obtenido en una documentación de 1986 consistente en un divisor activo de frecuencias para uso automotriz. El circuito cuenta con una etapa amplificadora de potencia cuyos transistores deben montarse en buenos disipadores de calor y una etapa con circuito integrado. El circuito se alimenta con 12 V.




