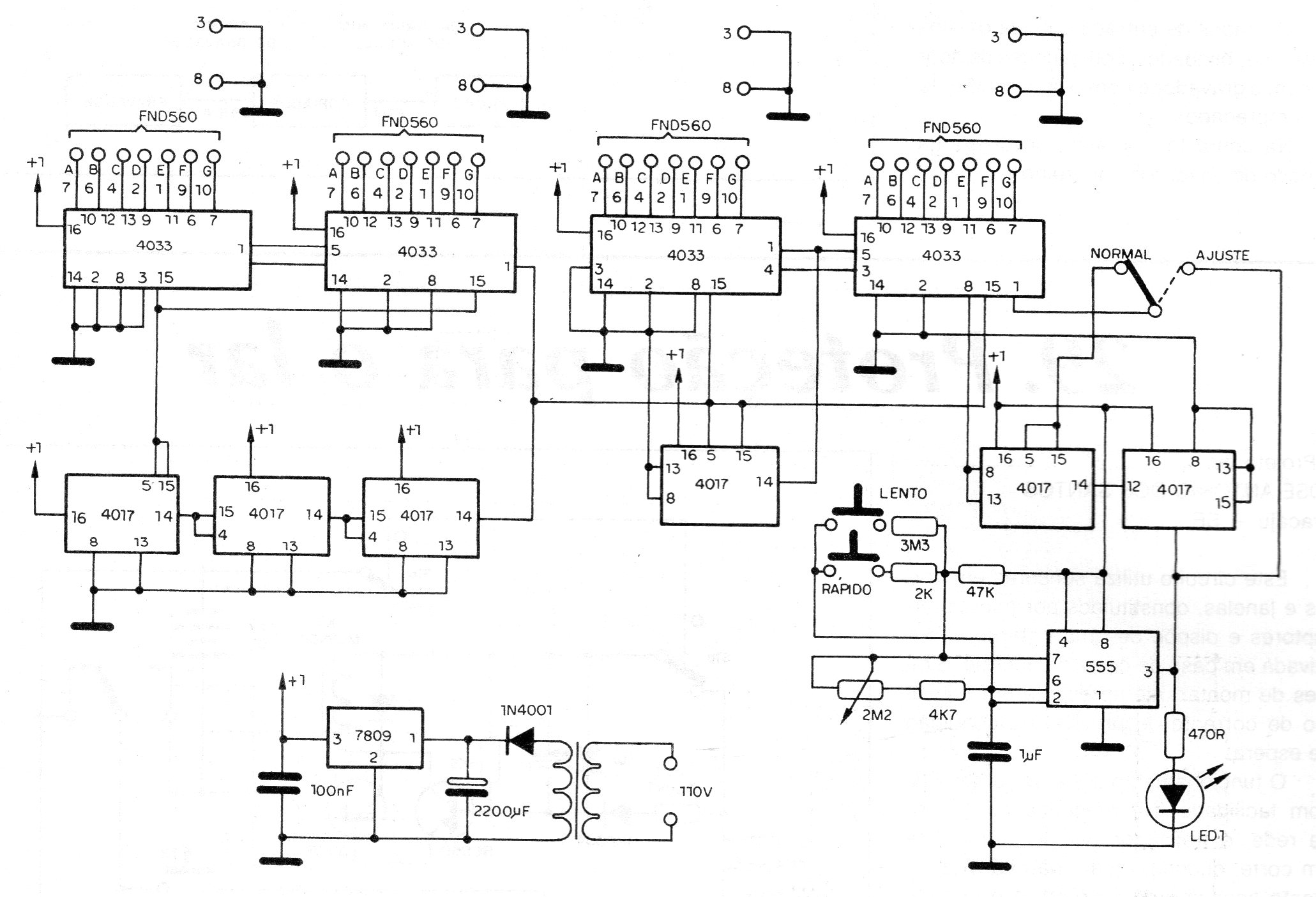
Este circuito es de una publicación de 1979, empleando displays de 7 segmentos de cátodo común. El circuito tiene su precisión dependiente del ajuste del 555 que debe producir un pulso por segundo. Los circuitos integrados usados son CMOS.
En el circuito de la figura utilizamos dos de las puertas del 4093 como un biestable y las otras...
Este circuito simple se puede utilizar para reforzar la señal de fuentes que no son capaces de...
El circuito presentado fue encontrado en un Linear Applications Handbook de National Semiconductor de 1994....