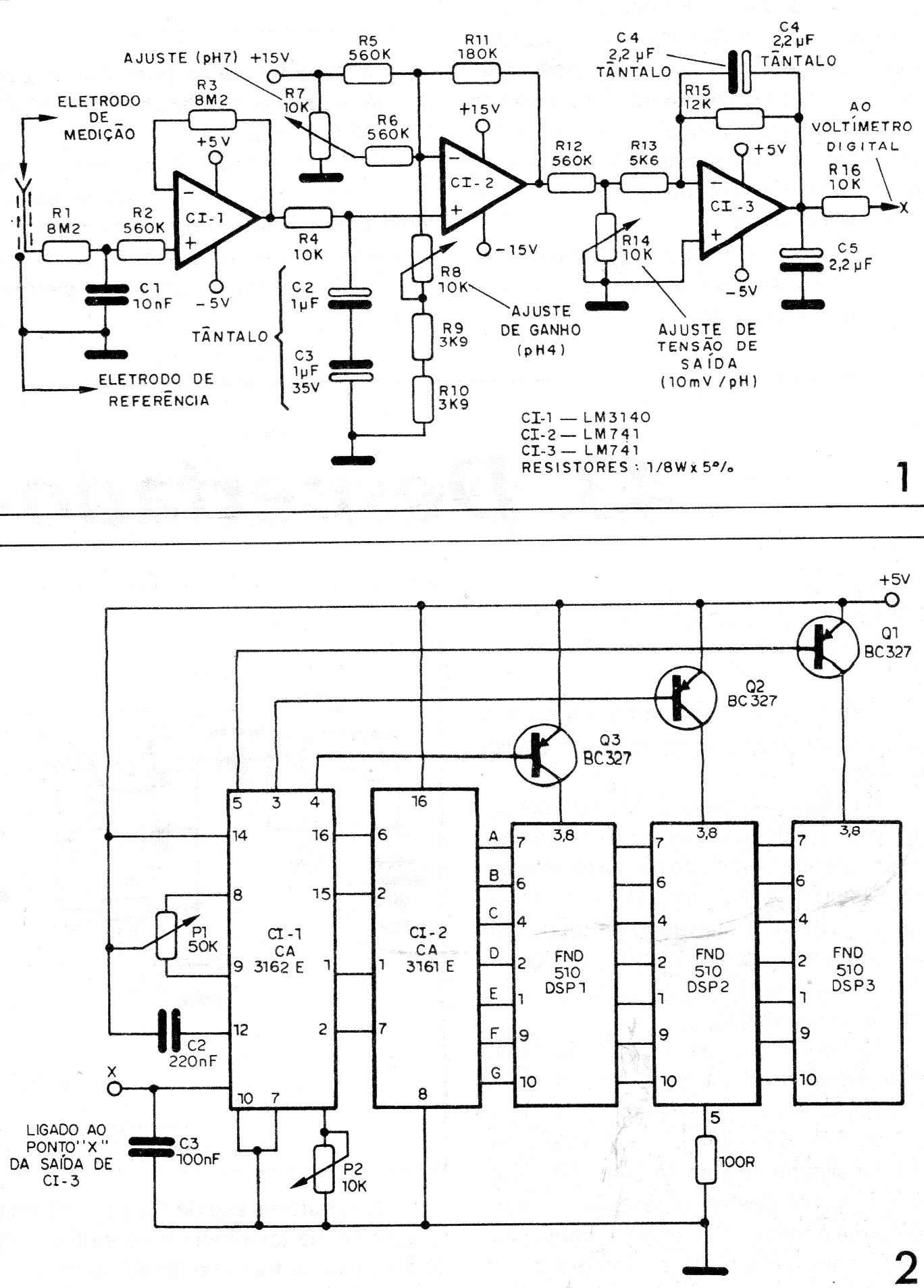
Este circuito de una documentación de 1989 utiliza un display digital con componentes que son pocos comunes actualmente, pero se pueden hacer adaptaciones para emplear una solución más moderna, incluso microcontrolada. El circuito requiere el uso de electrodos especiales para este propósito, del tipo empleado en los medidores profesionales. La fuente de alimentación debe ser simétrica.




