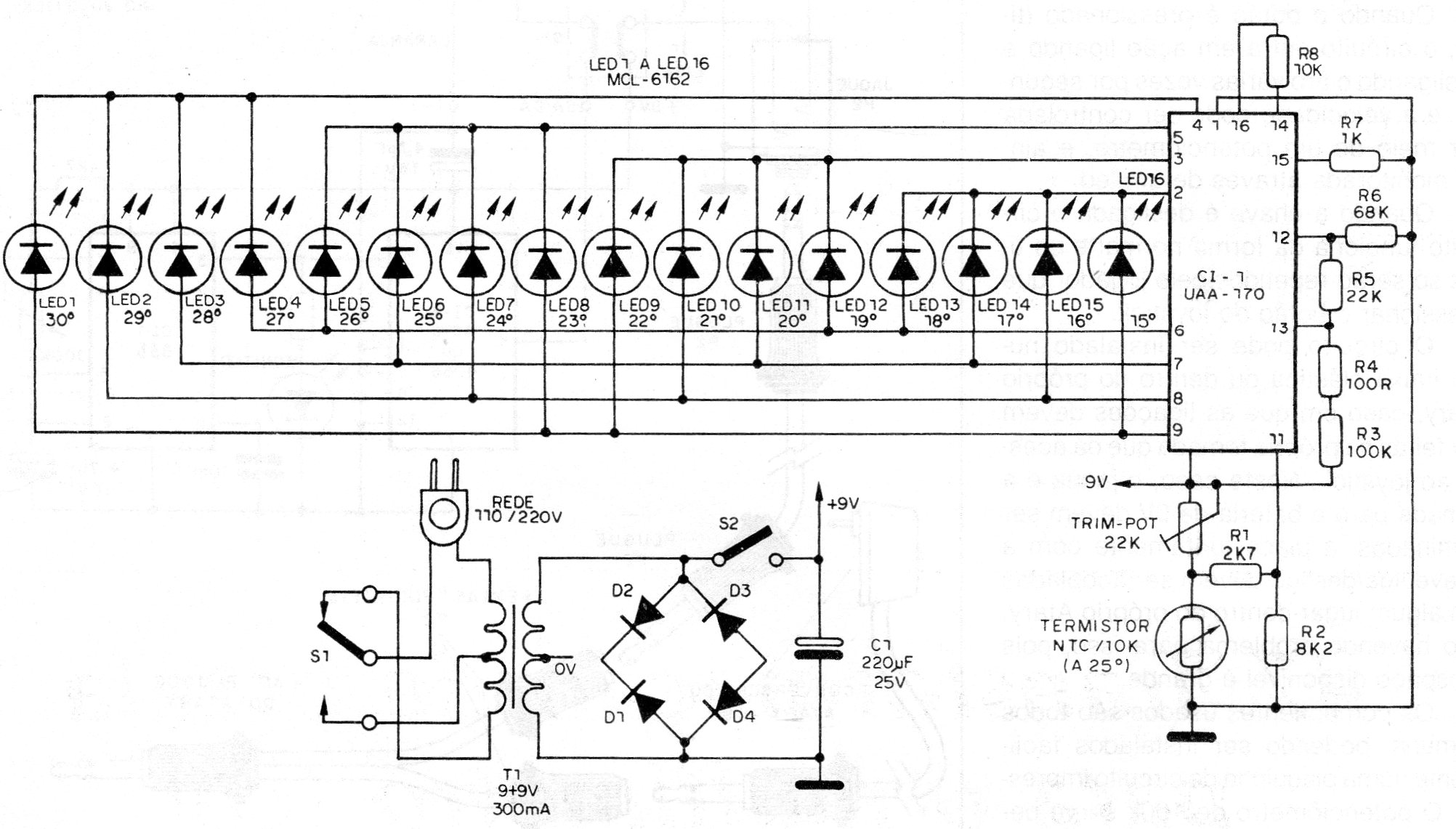
Este circuito, tipo bargraph, emplea un circuito integrado no muy común actualmente, pero puede ser adaptado para emplear un LM3914 que es más común en nuestros días. El circuito incluye una fuente de alimentación y el sensor es un termistor o NTC de 20 k. El ajuste de la escala se realiza en el trimpot.




