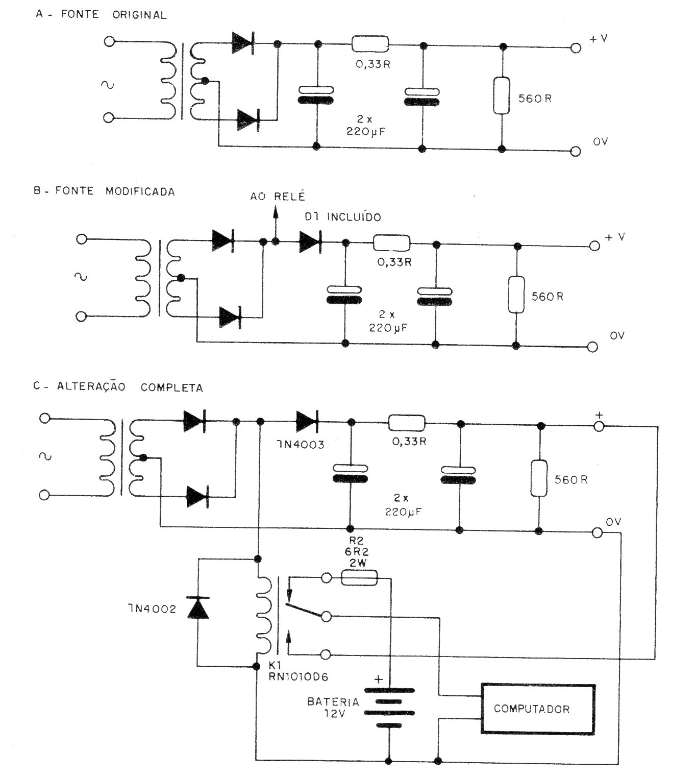
Este proyecto fue hecho originalmente para alimentar pequeños microcomputadores de la época (1986). Sin embargo, la idea básica puede ser aprovechada para otras aplicaciones como, por ejemplo, proyectos con microcontroladores y que posean fuentes externas. El circuito pone en la alimentación una batería cuando falta la alimentación de la red.




