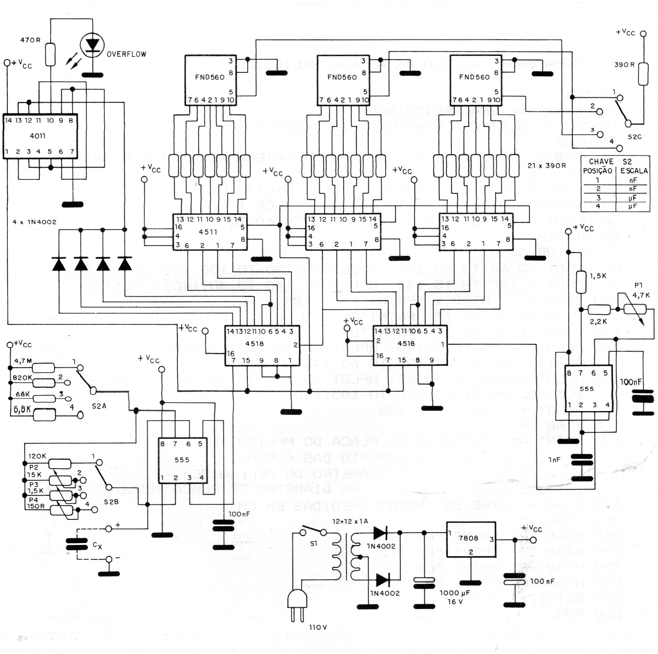
La precisión de este circuito depende de los ajustes hechos con capacitores de pequeñas tolerancias de valores conocidos. El circuito utiliza tecnología CMOS y tiene una definición de 3 dígitos. Encontramos este circuito en una documentación de 1986.




