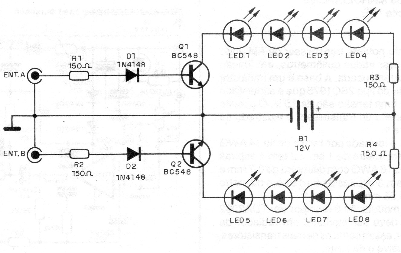
En realidad, este circuito de una documentación de 1986, consiste en un conjunto de LEDs rítmicos que parpadean según la música de un amplificador. El circuito es alimentado por tensiones de 6 a 12 V de pilas o de la propia fuente del amplificador con el que funciona.




