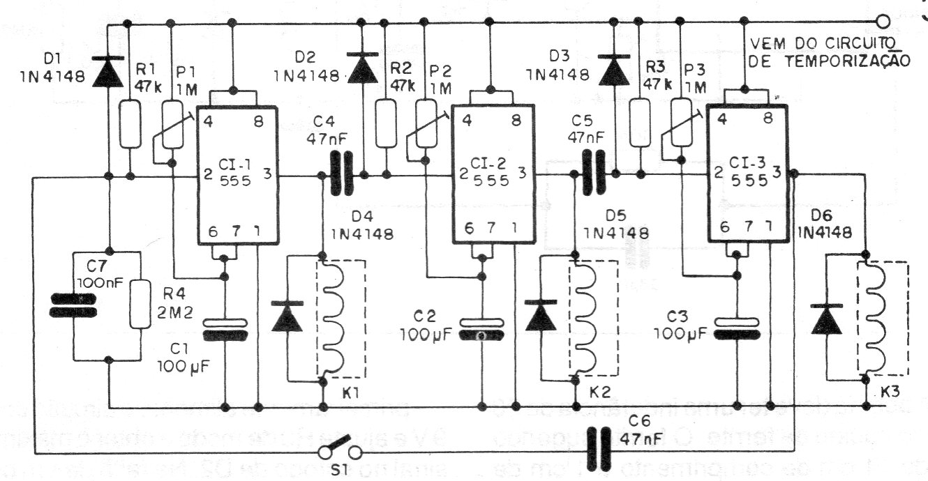
Este circuito, ya explotado en otros artículos de este sitio, consiste en un temporizador secuencial en que cada relé queda activado por el tiempo determinado por el ajuste correspondiente. El circuito es alimentado por 12 V que es la tensión utilizada para el relé.




