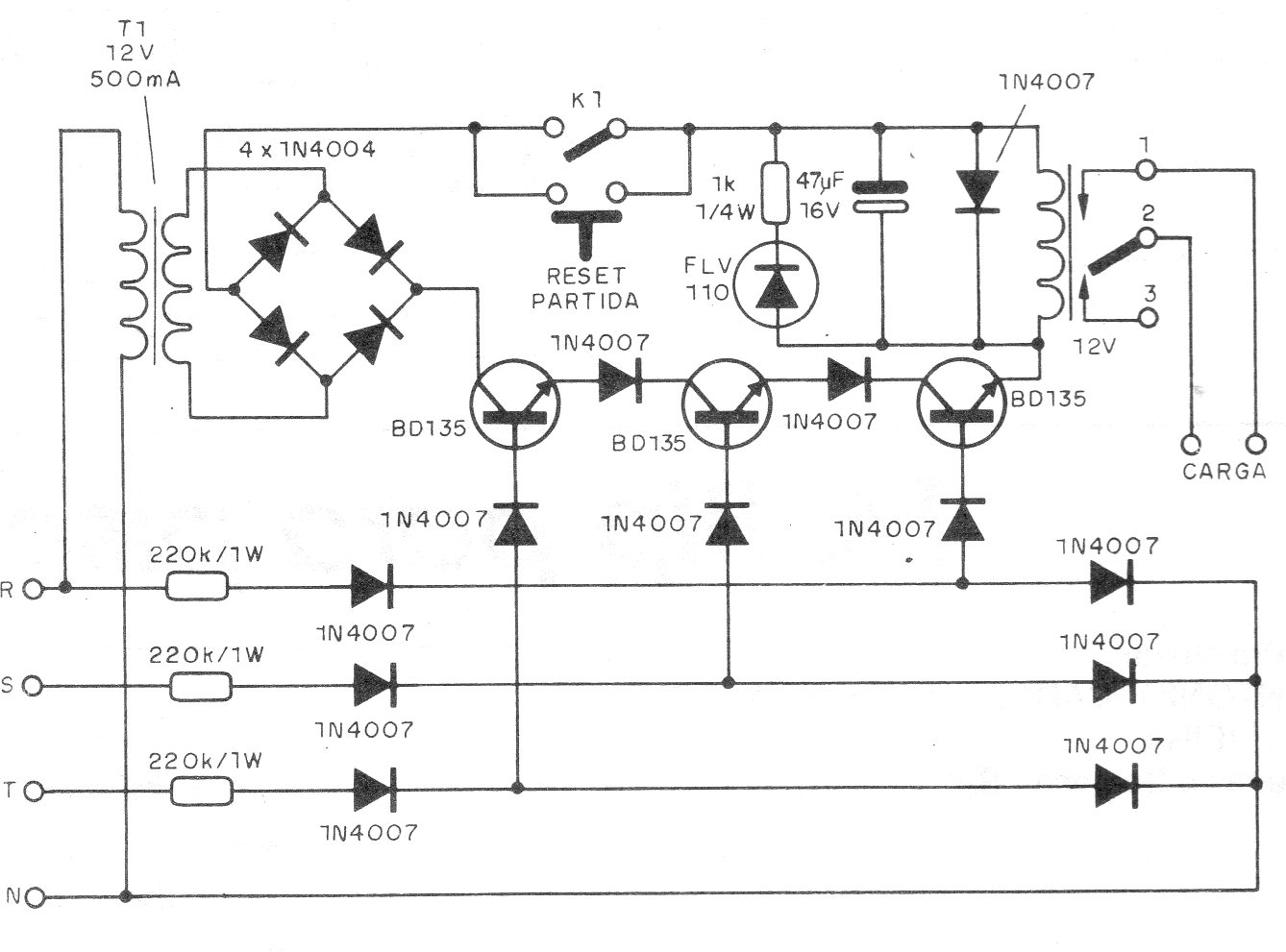
Este circuito, de 1989, acciona un relé de protección si falta una o dos fases en una red trifásica. El circuito utiliza componentes absolutamente comunes y el relé usado es de 12 V. Observe que existen resistores de mayor disipación en el circuito.
En el circuito de la figura utilizamos dos de las puertas del 4093 como un biestable y las otras...
Este circuito simple se puede utilizar para reforzar la señal de fuentes que no son capaces de...
El circuito presentado fue encontrado en un Linear Applications Handbook de National Semiconductor de 1994....