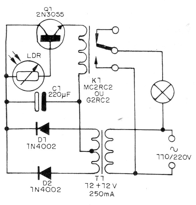
Este circuito acciona un relé que enciende lámparas comunes de iluminación al anochecer y las apaga al amanecer. El circuito puede funcionar con cualquier tipo de lámpara, ya que utiliza relé. El sensor es un LDR que debe instalarse para recibir sólo la luz ambiental. El circuito no cuenta con ajuste de sensibilidad.




