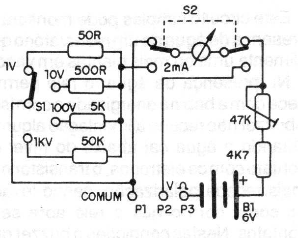
Este simple circuito utiliza un microamperímetro de 200 uA del tipo usado como VU, pudiendo medir tensiones y resistencias en varias escalas seleccionadas por la llave. El circuito es alimentado por pilas comunes y la precisión depende de la precisión de los resistores usados.




