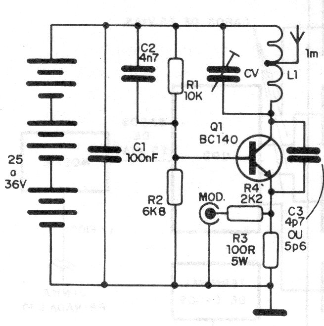
Lo que diferencia este transmisor, que encontramos en una documentación de 1990, es la modulación por el emisor del transistor. Este tipo de modulación permite el uso de micrófonos de baja impedancia, con cambios de R4. La bobina tiene 4 espiras de hilo 26 o 28 en forma de 1 cm sin núcleo y la alimentación con tensión más alta lleva el transmisor a un buen alcance (más de 500 metros).




