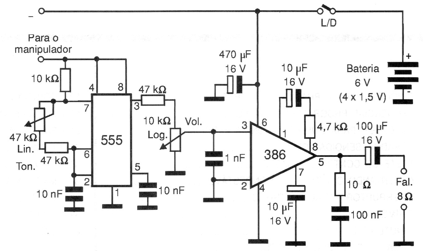
Encontramos este oscilador con amplificador en una documentación de 2000. El circuito utiliza componentes aún comunes en nuestro mercado y puede ser alimentado tanto por fuente como por pilas. Se utilizan controles de frecuencia y volumen.
En el circuito de la figura utilizamos dos de las puertas del 4093 como un biestable y las otras...
Este circuito simple se puede utilizar para reforzar la señal de fuentes que no son capaces de...
El circuito presentado fue encontrado en un Linear Applications Handbook de National Semiconductor de 1994....