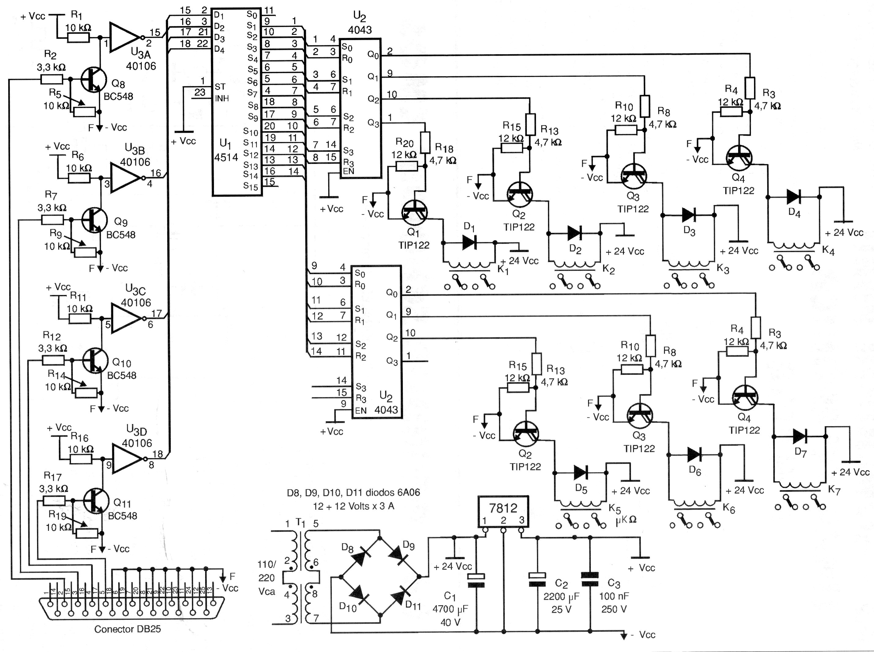
Este circuito es del año 2000, cuando los PC todavía utilizaban el puerto paralelo en la mayoría de las interfaces. Si el lector tiene un PC antiguo puede utilizar este circuito para un sistema de accionamiento secuencial con relés. También existe la posibilidad de adaptarse a este circuito para operar como shield para microcontroladores.




