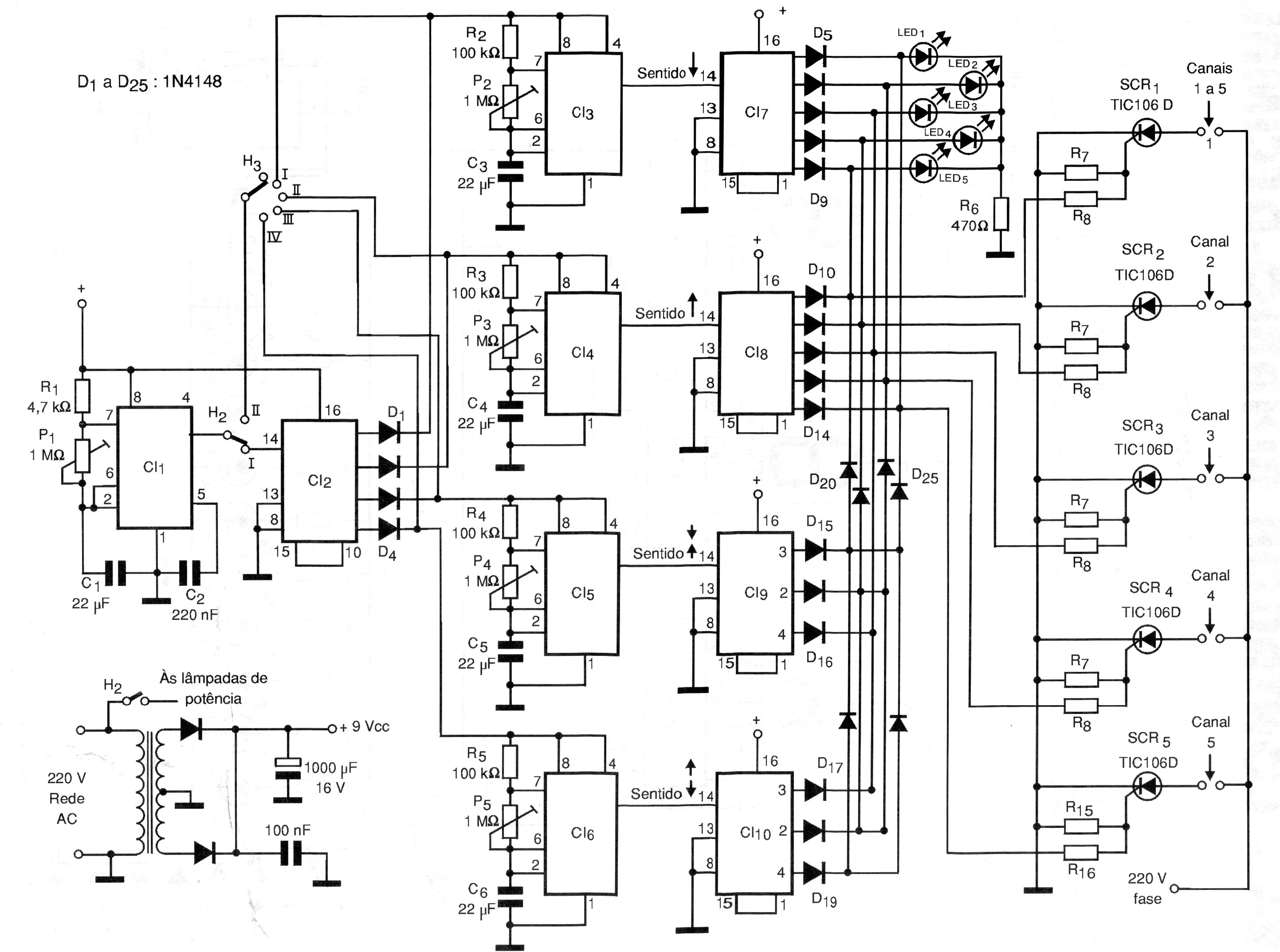
Este circuito de efectos para lámparas incandescentes con 5 canales se ha encontrado en una documentación de 2000. Los SCR deben estar dotados de disipadores de calor y otro tipo de lámpara no debe utilizarse a no ser los incandescentes. Los efectos se ajustan en potenciómetros o trimpots y hay varias opciones también seleccionadas a través de una llave.




