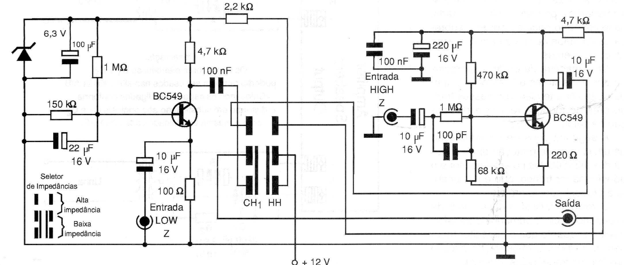
Este circuito de 2000 se puede utilizar para casar la baja impedancia de un micrófono con la alta impedancia de entrada de un amplificador o viceversa, según la posición de la llave conmutadora. El circuito debe ser alimentado por tensiones de 9 a 12 V y tiene un bajo consumo de corriente.




