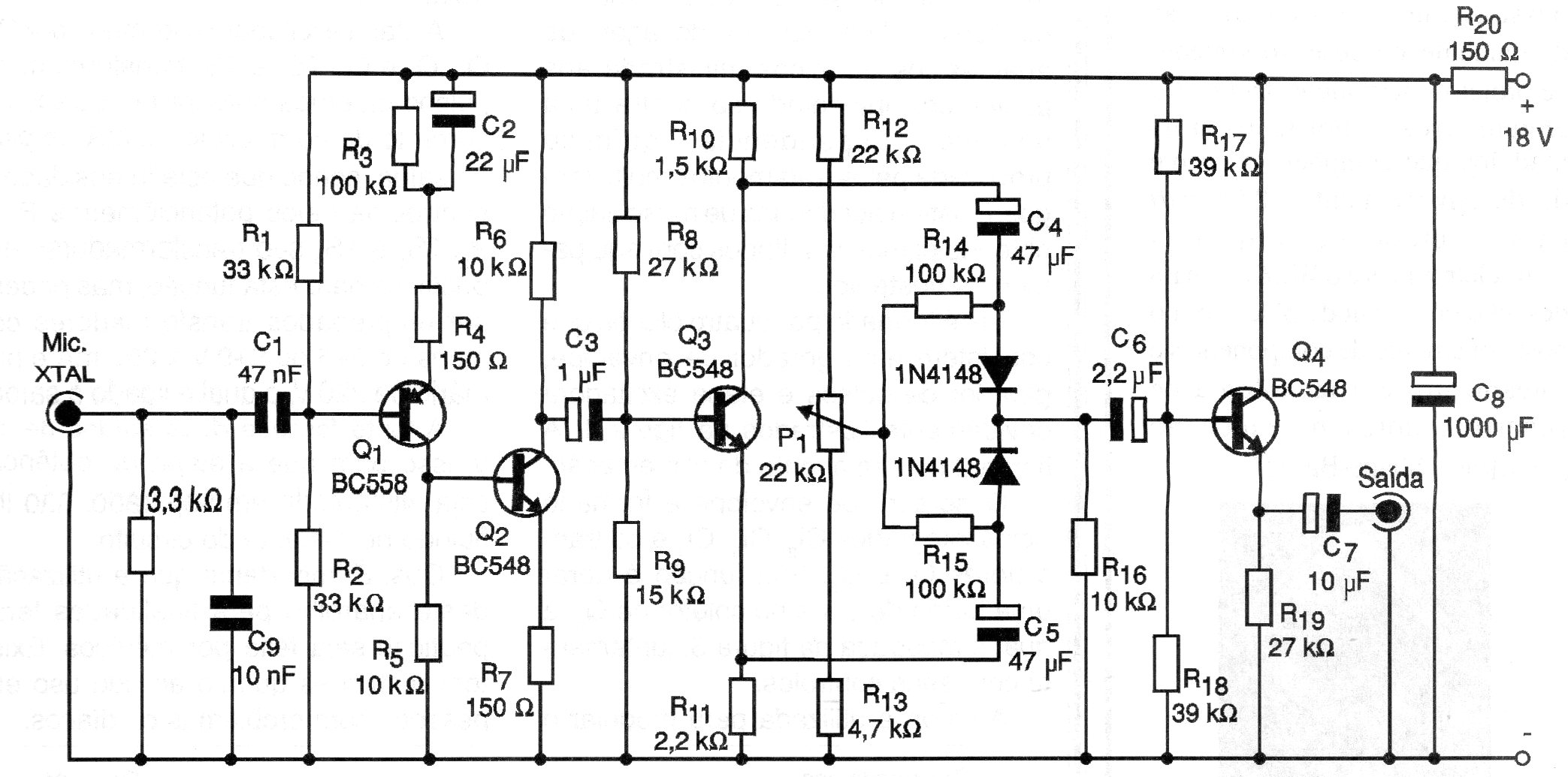
Este circuito de distorsión o voz de robot fue encontrado en una documentación del año 2000. El circuito opera con micrófono de cristal o piezoeléctrico de alta impedancia y el ajuste del punto de funcionamiento se realiza en P1. Los cables de entrada y salida de señal deben ser blindados.




