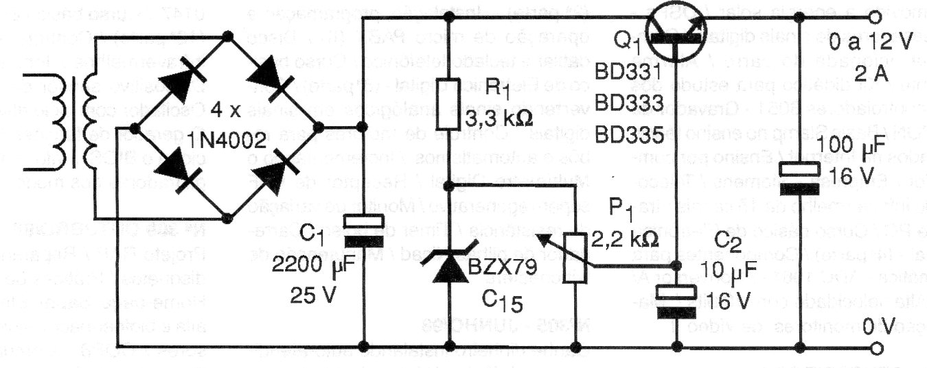
Esta fuente de 0 a 12 V utiliza sólo un transistor como reóstato y puede suministrar corrientes hasta 500 mA de acuerdo con el transformador. El transistor debe montarse en un disipador de calor. Para cadenas hasta 2 A utilice el TIP31. El transformador tiene un secundario de 12 V.




