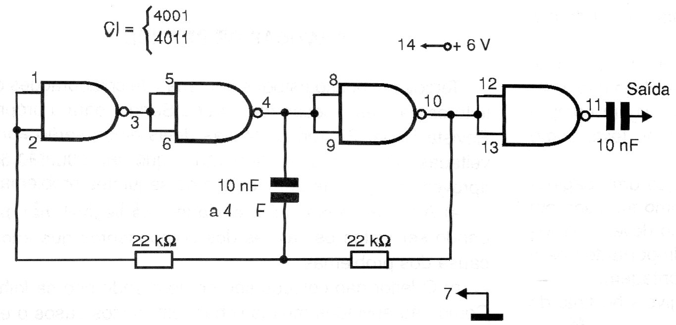
Este circuito, que aparece en otros puntos de este sitio, puede ser elaborado tanto con el 4011 como 4001 y alimentado con tensiones de 3 a 12 V. La frecuencia depende del capacitor que puede ser alterado en una amplia gama de valores. La señal producida es rectangular rico en armónicos.




