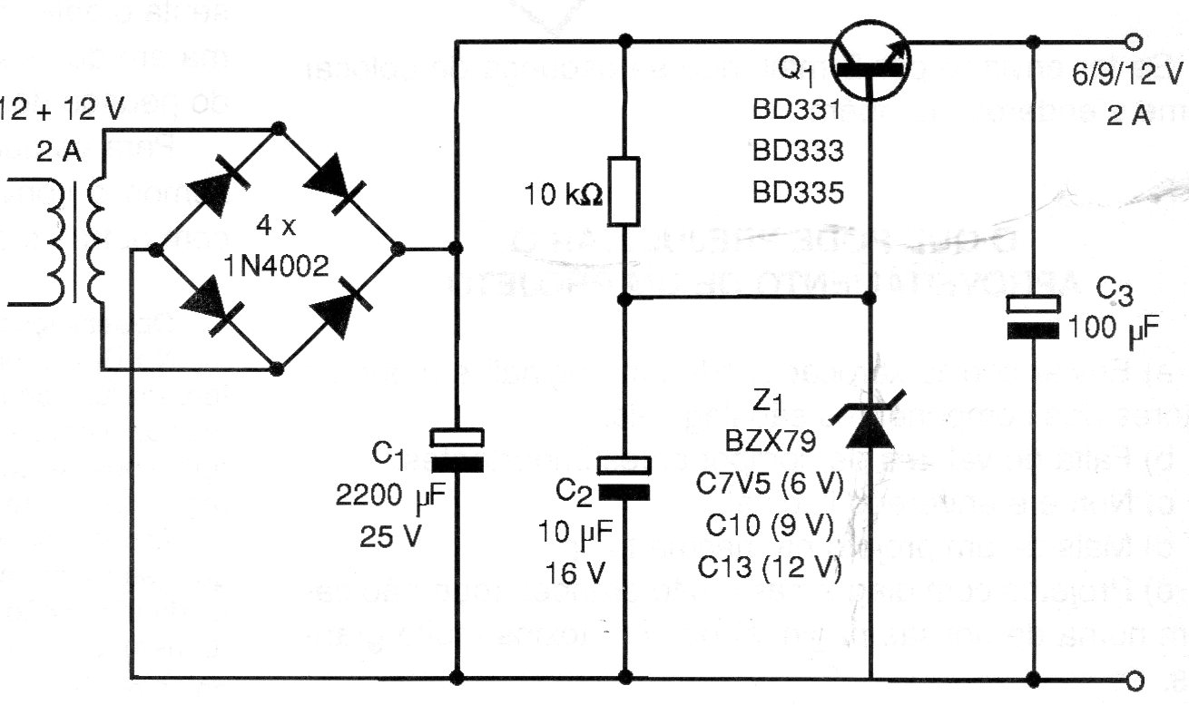
Esta fuente puede proporcionar tensiones de 6, 9 o 12 V según el zener utilizado. La corriente máxima es de 2 A y el transistor de potencia debe estar dotado de un disipador de calor. Esta fuente no tiene protección contra cortocircuitos en su salida.




