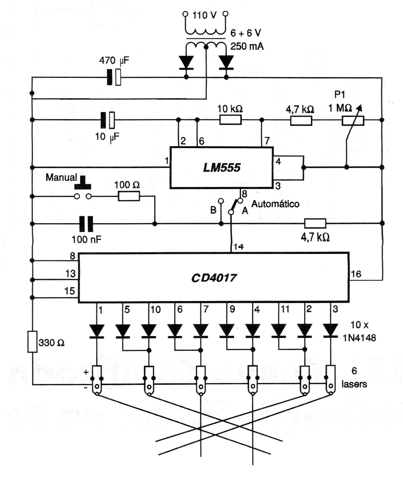
Encontramos este circuito en una publicación de 2001. Él hace el accionamiento secuencial de Laser Pointers a una velocidad que se puede encontrar en P1. El circuito tiene tanto un accionamiento manual (por pulsos) como automático. El circuito influye en la fuente de alimentación.




